EasyManua.ls Logo

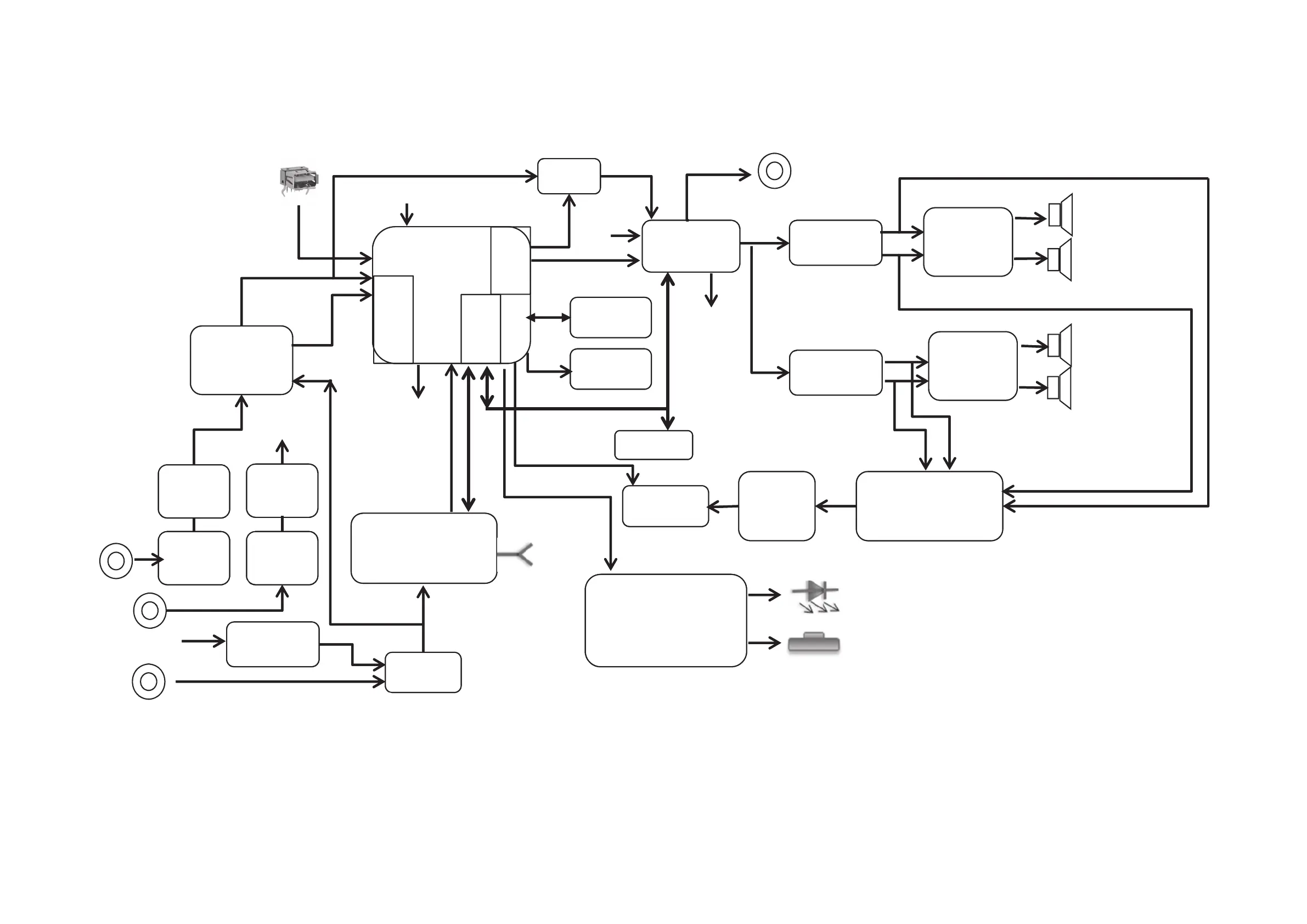
JBL PARTYBOX 110 - Block Diagrams; Audio Signal Path Diagram

JBL PARTYBOX 110
48 pages
Print Icon
To Next Page IconTo Next Page
To Next Page IconTo Next Page
To Previous Page IconTo Previous Page
To Previous Page IconTo Previous Page
Loading...
Party Box 110 BLOCK DIAGRAM
WooferL
30W@4ɏ 1%THD
TweeterL
15W@4ɏ 1%THD
ClassD
Amp
TPA3126
ClassD
Amp
TPA3126
TLV9062IDDFR*6P
CS
Logic
SLG46
140
USB_APlayUSB
2.1A
BATmode:
Woofer18W
Tweeter10W
mux
MLC3740
AK7755
16MB
Flash
16MB
Sdram
ACP3.0
DAC
PCM5121
DAC
PCM5121
DAC
PCM5121
WooferR
30W@4ɏ 1%THD
TweeterR
15W@4ɏ 1%THD
Light_I2S
Dynamic
boost
BTQCC3021
BTTWS
BTreceiver
LEDdrive/key
scan/lightsensor
(IOexpander)
LEDs
Buttons
SPI/Uart/I2C
Mic I2S
L&RLineOUT
GTmonoin
USB/BTI2S
Light_I2S
TLV320AD
C51404ch
ADC
Low
noise
OP
Gain
knob
Gain
knob
Low
noise
OP
switch
Auxin(3.5mm)
I2C
Uart
MusicI2S
Mic I2S
I2SMaster
@44.1KHz
TWSI2S
Auxin
Guitar
Differentialinput(TRS)
MIC
GTmonoin
Mic
I2SSlave
@44.1KHz
I2S_DATA
delay
I2S_DO
BTI2S
TWSI2S
Lineout(3.5mm)
I2C
EN

Related product manuals