EasyManua.ls Logo

JBL PARTYBOX 110 - Page 27

JBL PARTYBOX 110
48 pages
Print Icon
To Next Page IconTo Next Page
To Next Page IconTo Next Page
To Previous Page IconTo Previous Page
To Previous Page IconTo Previous Page
Loading...
A
B
C
D
123456
D
C
B
A
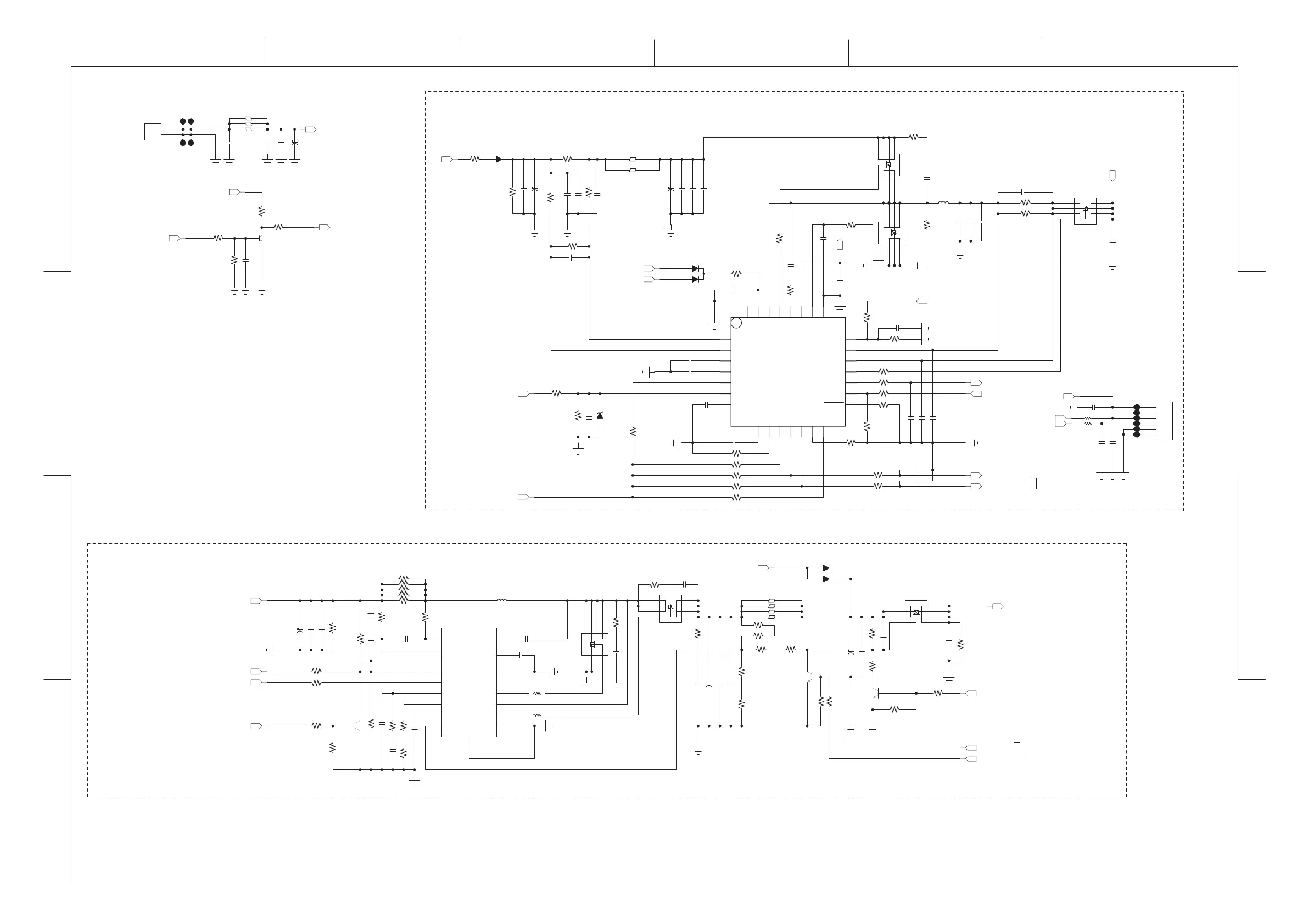
Battery Charge SECTION
7.4V/5A
TO MLC3740
FROM SMPS
FROM MLC3740
TO AMP
FROM SMPS
FROM MLC3740
FROM Logic
BOOST SECTION
7.4V/16A
Vout=1.22*(1+820K/127K)
the loop area of input Cap. GND and output Cap. GND/NMOSFET GND should be small.
1
ACN
2
ACP
3
CMSRC
4
ACDRV
5
ACOK
6
ACDET
7
IADP
8
IBAT
9
PMON
10
PROCHOT
11
SDA
12
SCL
13
CMPIN
14
CMPOUT
15
BATPRES
16
CELL
17
BAT
18
BATDRV
19
SRN
20
SRP
21
ILIM
22
GND
23
LODRV
24
REGN
25
BTST
26
HIDRV
27
PHASE
28
VCC
29
PAD
U36
BQ24773
& 47nF
9;5
& 47nF
9;5
& 100pF
913
& 100pF
913
R56210K

R56310K

R56410K

R56510K

R56610K

R567 NC/30.1K

R568 1K

R569100K

R570 NC/10M

R571 NC/10M

& 100nF
9;5
& 100nF
9;5
& 100nF
9;5
R572 300K

R573 24K

& 10nF
9;5
& 1uF
9;5
& 47nF
9;5
R574 10

R57510

R576 91K

& 1uF
9;5
R577 NC

& 100nF
9;5
R578 0R
Phz0$;
R579 0R
Phz0$;
& 1uF
9;5
R580
NC
FB1
220R3A
FB2
220R3A
&X)
9
& NC
913
2
3
1
k\Y
BAT54C
R581 0.02

R582 0.02

& 100nF
9;5
/ X+
& 10uF
9;5
& 10uF
9;5
& 100nF
9;5
R5834.7/NC

& 2nF/NC
9;5
R584 33/NC

& 390pF/NC
9;5
& 100nF
9;5
& 100nF
9;5
& 100nF
9;5
& 1uF
9;5
& 1uF
9;5
& 1uF
9;5
&X)
9
R585 300K

R586 10

R587 10

& NC
9132&2*
& NC
9132&2*
R588 0

R589 0

1
2
J5
&21773;
&
9;5
Q)
L29
220R@100M
0805
L30
0805
L31
NC
0805
&
9;5
Q)
&220uF
9
&
9 ;5
X)
1
B
3
C
2
E
Q3
MMBT3904
R287220K

&
9;5
Q)
R288 4.7K

R30022

1
RT/CLK
2
SS
3
COMP
4
FB
5
ISNS-
6
ISNS+
7
VIN
8
LDRV
9
PGND
10
VCC
11
BOOT
12
SW
13
HDRV
14
PGOOD
15
EN
16
AGND
0
GND-PAD
U37
TPS43061
& Q)
9;5
&X)
9 ;5
R590NC

& 1&
9;5
R591 10

R592 10

R593 0.02
R594 0.02
R595 0.02
R596 0.02
R597 0.02
/ X+$
R598NC

&
1&
9;5
R599 NC
 & 1&
9;5
& Q)
9;5
R600 10

& S)
913
&
100nF
9;5
R601 110K

R602 27K

R603 7.5K

& Q)
9;5
& Q)
9;5
R604NC

R605 47K

R606 100K

1
23
Q21
NC
R607NC

R608 NC

&X)
9
& 100nF
9;5
& X)
9;5
R609 1M

&X)
9
& X)
9;5
& Q)
9;5
R610820K

R611 130K

1
23
Q23
MMBT3904
R61247K

R613 10K

FB5 220R3A
FB8 220R3A
FB9 220R3A
FB10 220R3A
&X)
9
& Q)
9;5
R614 220K

R615 110K

1
23
Q24
MMBT3904
R61647K

R61710K

& Q)
9;5
& Q)
9;5
R618 NC

D53
SS56
D54
SS56
R619 39K

R620 100K

1
S
2
S
3
S
4
G
8
D
7
D
6
D
5
D
ڬڍڐ
PE632BA
R621
0R
1%
0402
R622
0R
1%
0402
1
S
2
S
3
S
4
G
8
D
7
D
6
D
5
D
ڬڍڋ
PE632BA
R623
10R
1%
0402
R624
10R
1%
0402
C221
10%
50V
0402
X7R
100nF
&
9132&2*
S)
&
9132&2*
S)
D51
NC
1
S
2
S
3
S
4
G
8
D
7
D
6
D
5
D
Q16
WNM3034
1
S
2
S
3
S
4
G
8
D
7
D
6
D
5
D
Q17
WNM3034
1
S
2
S
3
S
4
G
8
D
7
D
6
D
5
D
Q19
MTP4435
1
S
2
S
3
S
4
G
8
D
7
D
6
D
5
D
Q22
MTP4435
R110 0.01R

& 100nF
9;5
& 100nF
9;5
R230 0
Phz0$;
D21
SX34
R2340

R342 0

TP101
TP102
TP103
TP104
TP105
TP106
TP107
TP108
TP109
TP110
R344 0

R418 0

1
2
3
4
5
6
J13
6P/3.96/V
R284 12K

BQ24773_SDA
BQ24773_SCL
REGN
B+
REGN
REGN
B+
B+
SMPS_22V
SMPS_22V
SMPS_22V
VCC_3V3
SMPS_22V
SMPS_22V
BT_BLE_3V3
22V_DET
B+
SYS_3V3
BOOST_EN
SMPS_22V
DC_BIAS
VOL_ADJ
AMP_ON
VCC_TO_AMP_22V_OR_16V
SMPS_22V
B+
BAT_SCL
BAT_SDA
0$,1%2$5'

Related product manuals