EasyManua.ls Logo

JBL SRX812P - Page 44

JBL SRX812P
45 pages
Print Icon
To Next Page IconTo Next Page
To Next Page IconTo Next Page
To Previous Page IconTo Previous Page
To Previous Page IconTo Previous Page
Loading...
#MPDL%JBHSBN
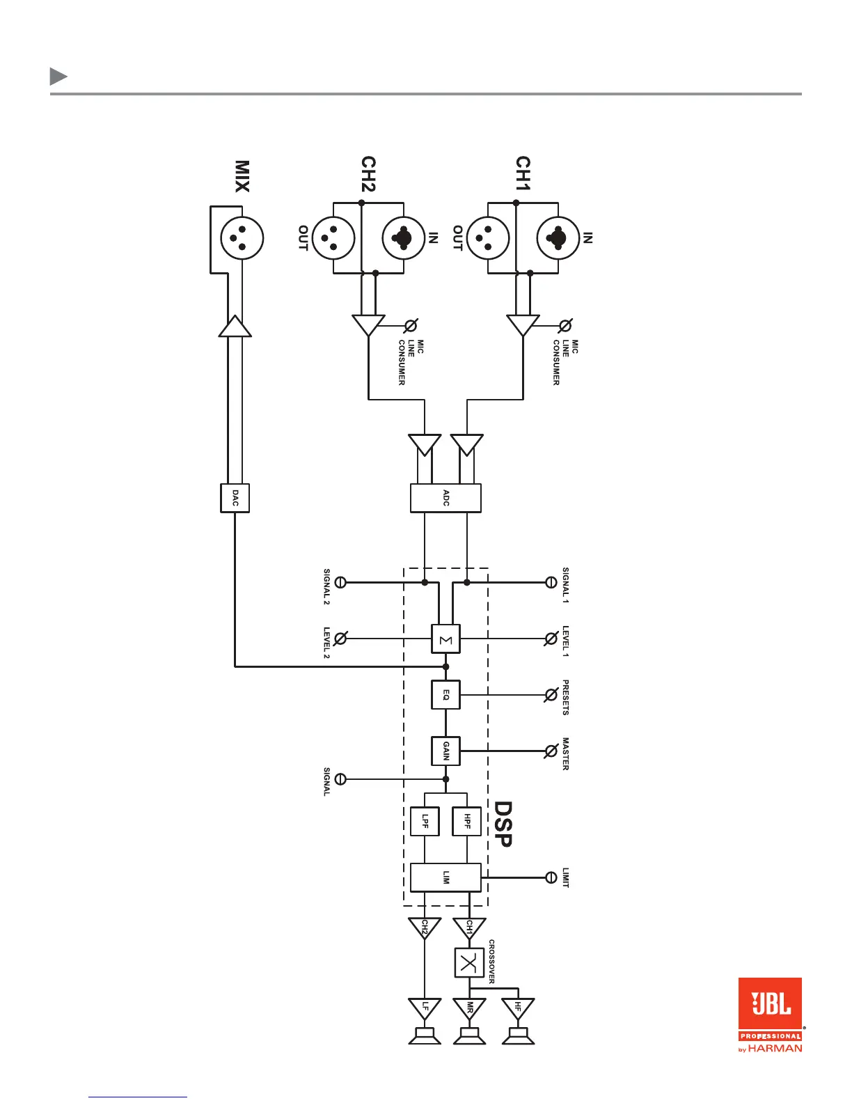
SRX835P 15” Three-Way Bass Reflex Self-Powered System

Other manuals for JBL SRX812P

Related product manuals