EasyManua.ls Logo

jcb JS200 - Revolution Control for each Mode

jcb JS200
531 pages
Print Icon
To Next Page IconTo Next Page
To Next Page IconTo Next Page
To Previous Page IconTo Previous Page
To Previous Page IconTo Previous Page
Loading...
4 - 11
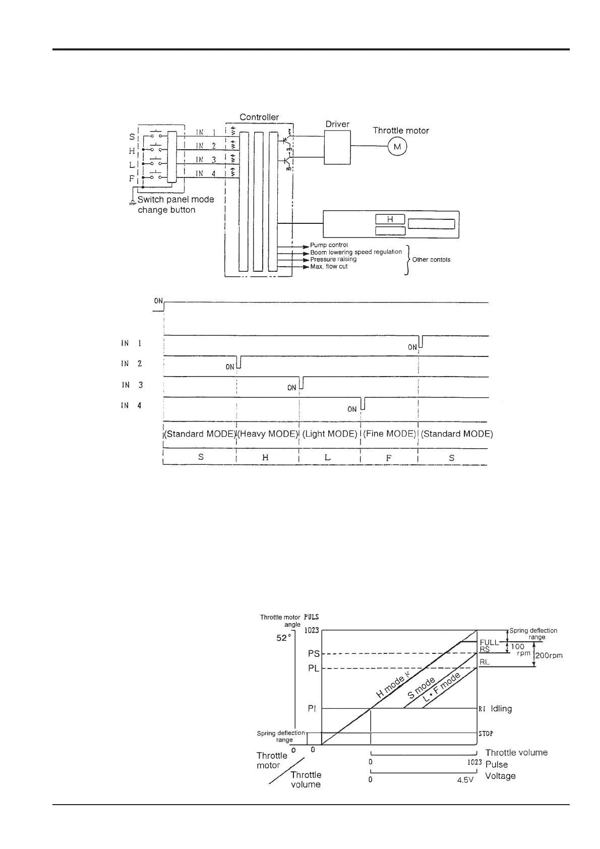
Revolution Control for Each Mode
The machine is in the standard mode when the key switch is
ON. This position is 100 rpm less than the FULL rotational
position (H mode). Also note the position where it has
decreased by 200 rpm from FULL rotation in L and F modes.
Relation of throttle volume and pulse are shown in diagram
below. Even though the position of throttle volume is the
same, engine RPM varies with each mode.
However, when pressing a mode switch button, the above
four modes can be selected together with their corresponding
engine RPM.
Section C
Electrics
9803/6400
Section C
4 - 11
Issue 1
Engine Control

Table of Contents

Other manuals for jcb JS200

Related product manuals