EasyManua.ls Logo

Jet JCDC-1.5 - Page 49

Jet JCDC-1.5
59 pages
To Next Page IconTo Next Page
To Next Page IconTo Next Page
To Previous Page IconTo Previous Page
To Previous Page IconTo Previous Page
Loading...
5
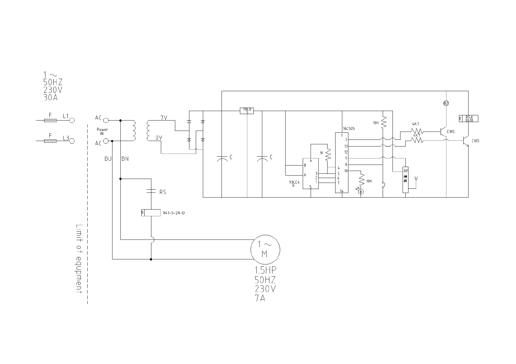
Circuit Diagram for JCDC-1.5-M Cyclone Dust Collector
JCDC-1.5-M …...717515M .…1~230V, 50Hz

Other manuals for Jet JCDC-1.5

Related product manuals