EasyManua.ls Logo

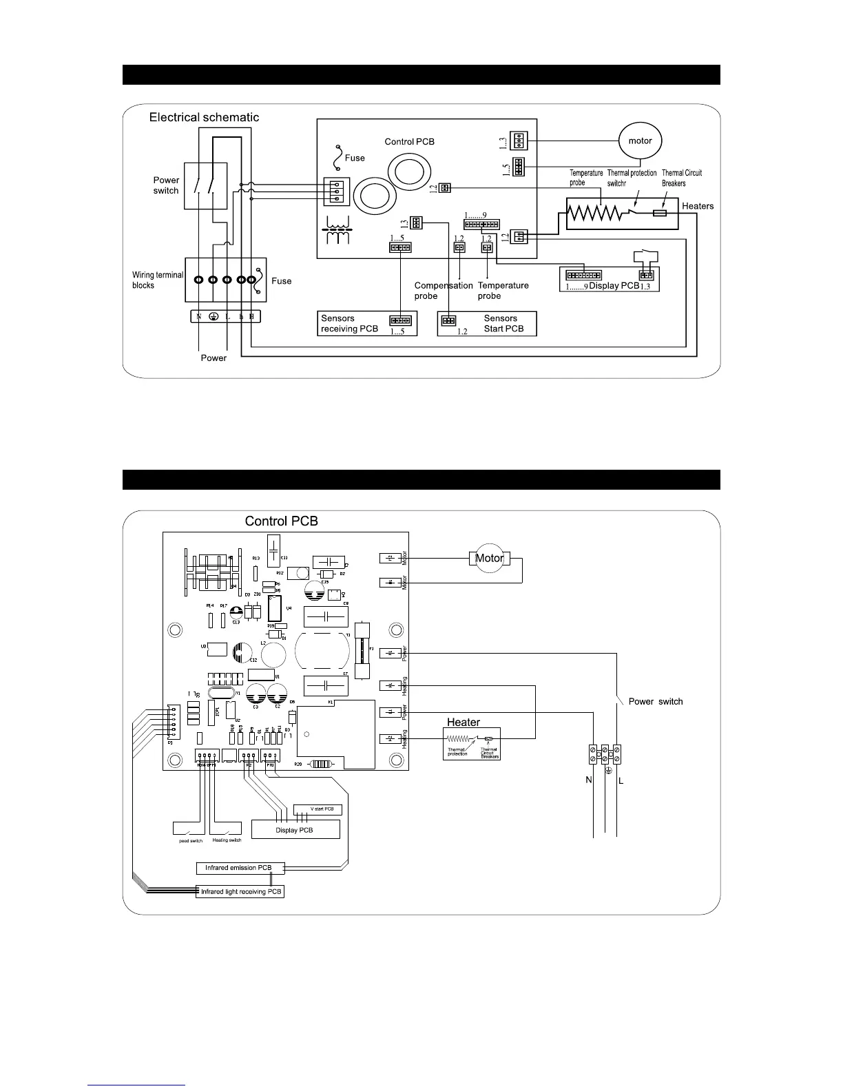
JETBOX Blade - ELECTRICAL SCHEMATIC (BRUSHLESS MOTOR); ELECTRICAL SCHEMATIC (BRUSH MOTOR)

Default Icon
8 pages
Print Icon
To Previous Page IconTo Previous Page
To Previous Page IconTo Previous Page
Loading...
Power
Terminal blocks
Hand Dryer by Brushless Motor Electric Diagram
Hand Dryer by Brush Motor Electric Diagram