EasyManua.ls Logo

Johnson Pump WD 5.2 - Page 38

Default Icon
Print Icon
To Next Page IconTo Next Page
To Next Page IconTo Next Page
To Previous Page IconTo Previous Page
To Previous Page IconTo Previous Page
Loading...
38
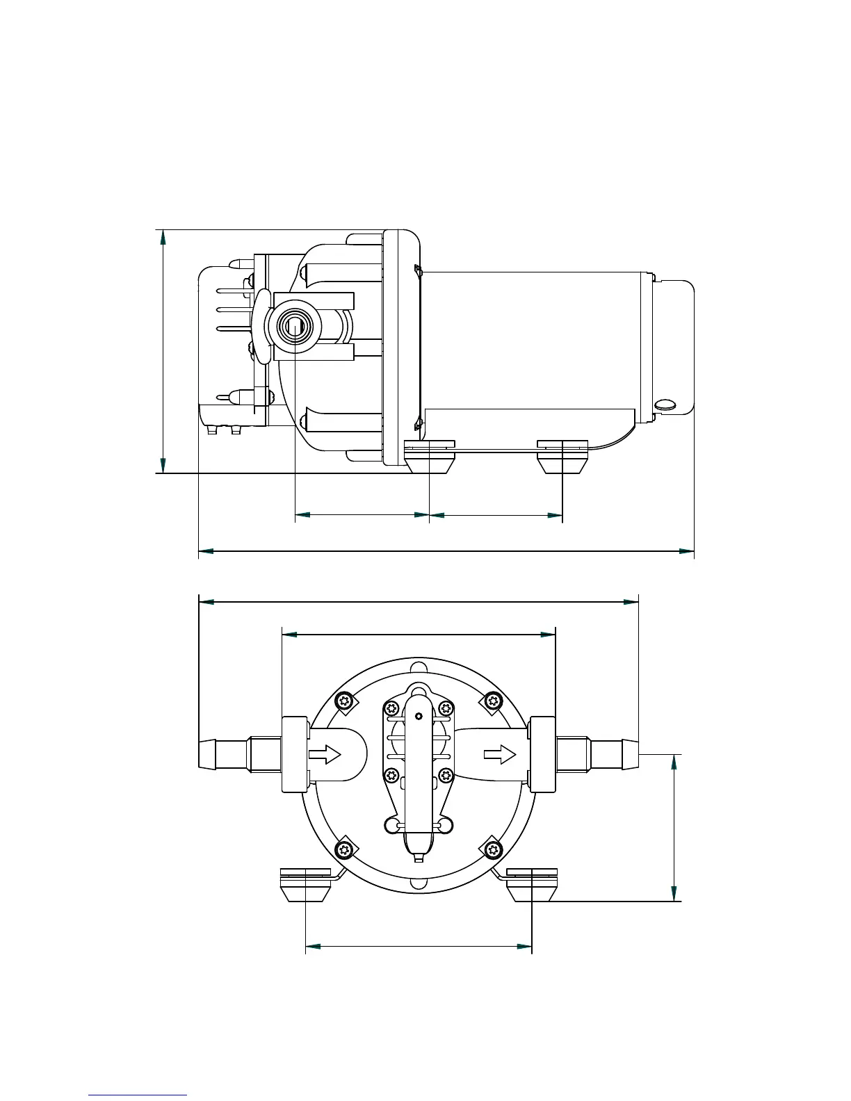
Dimensioner och vikter
Dimensions and weights
Abmessungen und Gewichte
Dimensions et poids
Dimensiones y pesos
Dimensioni e peso
63,5 /2.5
64,1 /2.524
236,5 /9.311
108 /4,252
70 /2,756
130,5/5,138
209,7 /8,256
116,2/4,575
63,5 /2.5
64,1 /2.524
236,5 /9.311
108 /4,252
70 /2,756
130,5/5,138
209,7 /8,256
116,2/4,575
Vikt 2,5 kg
Weight 2,5 kg / 5,5 lbs
Gewicht 2,5 kg
Poids 2,5 kg
Peso 2,5 kg
Dim. mm/inches
WD 3.5

Related product manuals