EasyManua.ls Logo

Johnson Pump WD 5.2 - Page 42

Default Icon
Print Icon
To Next Page IconTo Next Page
To Next Page IconTo Next Page
To Previous Page IconTo Previous Page
To Previous Page IconTo Previous Page
Loading...
42
25
28
36
22
20
18
34
34
13
12
11
12
8
10
23
6
29
40
41
26
27
21
24
5
16
1
3
2
16
33
32
15
14
14
15
19
31
9
4
17
27
35
7
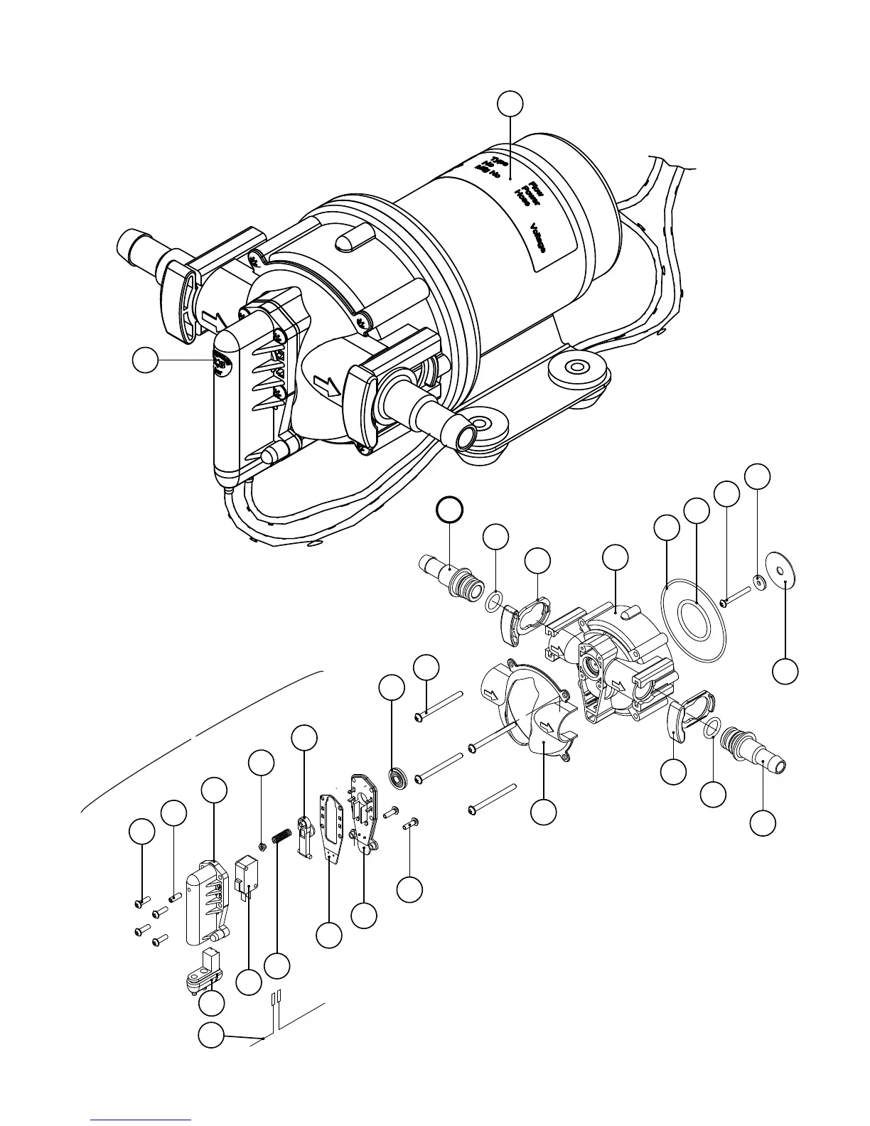
Splitview WD2.9
V
Pos. A (18-29)

Related product manuals