EasyManua.ls Logo

joule Cyclone - Un-Plumbed Cylinder S-Plan Schematic

joule Cyclone
48 pages
Print Icon
To Next Page IconTo Next Page
To Next Page IconTo Next Page
To Previous Page IconTo Previous Page
To Previous Page IconTo Previous Page
Loading...
www.jouleuk.co.uk | www.joule.ie
30
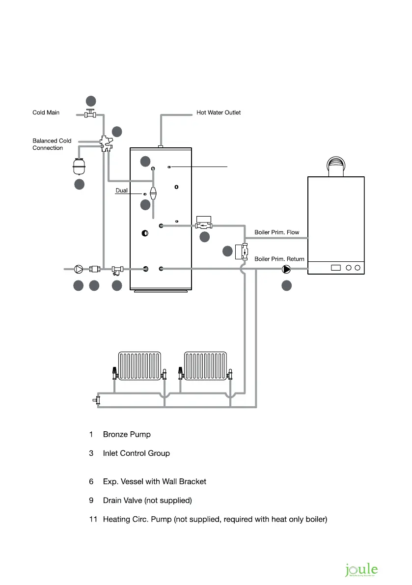
Un-Plumbed Cylinder Schematic
Mechanical Diagram S-Plan
2 Non Return Valve (not supplied)
4 Temperature & Pressure Relief Valve
5 Isolation Valve (not supplied)
7 2-port Zone Valve (one only supplied)
10 Tundish
Un-Plumbed Cylinder Schematic
Mechanical Diagram S-Plan
7
7
1 2 9
3
5
6
10
4
11
Secondary
Return
High Limit
Stat
Stat

Related product manuals