EasyManua.ls Logo

Joydeem JD-J03 - Analysis and Disposal of Abnormal Circumstances; Schematic Circuit Diagram; Specification

Joydeem JD-J03
26 pages
Print Icon
To Next Page IconTo Next Page
To Next Page IconTo Next Page
To Previous Page IconTo Previous Page
To Previous Page IconTo Previous Page
Loading...
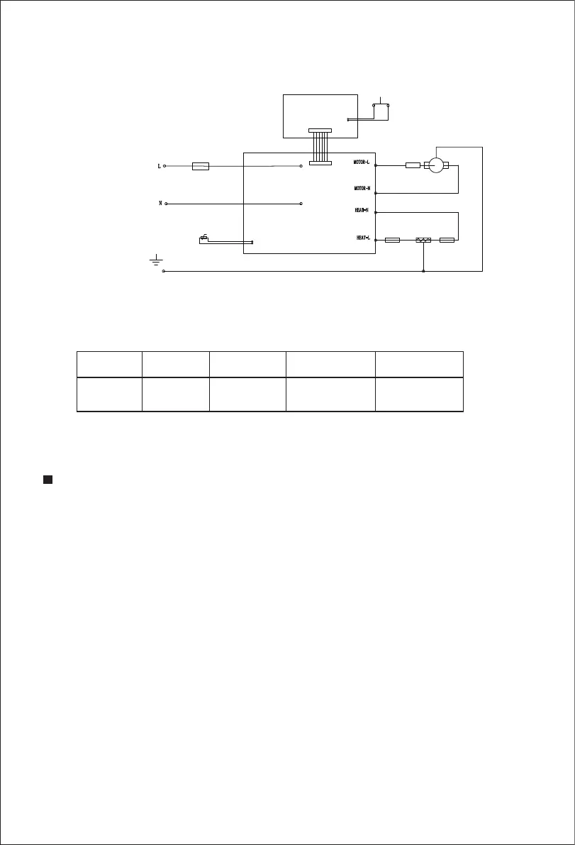
Schematic Circuit Diagram
(Note: The wiring is subject to change without notice.)
20
Control Panel
Magnetically
Controlled
Switch
Thermal
Protector
for Motor
Motor
PCB
Fuse Fuse
Heating
Tube
Micro Switch
120V~ 60Hz
NTC
Specification
Voltage Frequency
Motor Power
120V~
Model
JD-J03 60Hz 250W
Heater power
600W
Analysis and Disposal of Abnormal Circumstances
1.
2.
3.
It is necessary to immediately power this product off and stop using if it is in abnormal
circumstances such as abnormal noise, peculiar smell and smoke.
If this product fails to work, please check whether the power line is connected property
or not, whether its switch is turned on or not and whether the stirring cup is installed in
place or not.
If this product still fails to work upon above check, please send it to any designated
maintenance center for maintenance and consulting.
Disposal of Abnormal Circumstances