EasyManua.ls Logo

JOYEE ZJ9610 - Thread Trimmer (-D, 9630)

Default Icon
155 pages
Print Icon
To Next Page IconTo Next Page
To Next Page IconTo Next Page
To Previous Page IconTo Previous Page
To Previous Page IconTo Previous Page
Loading...
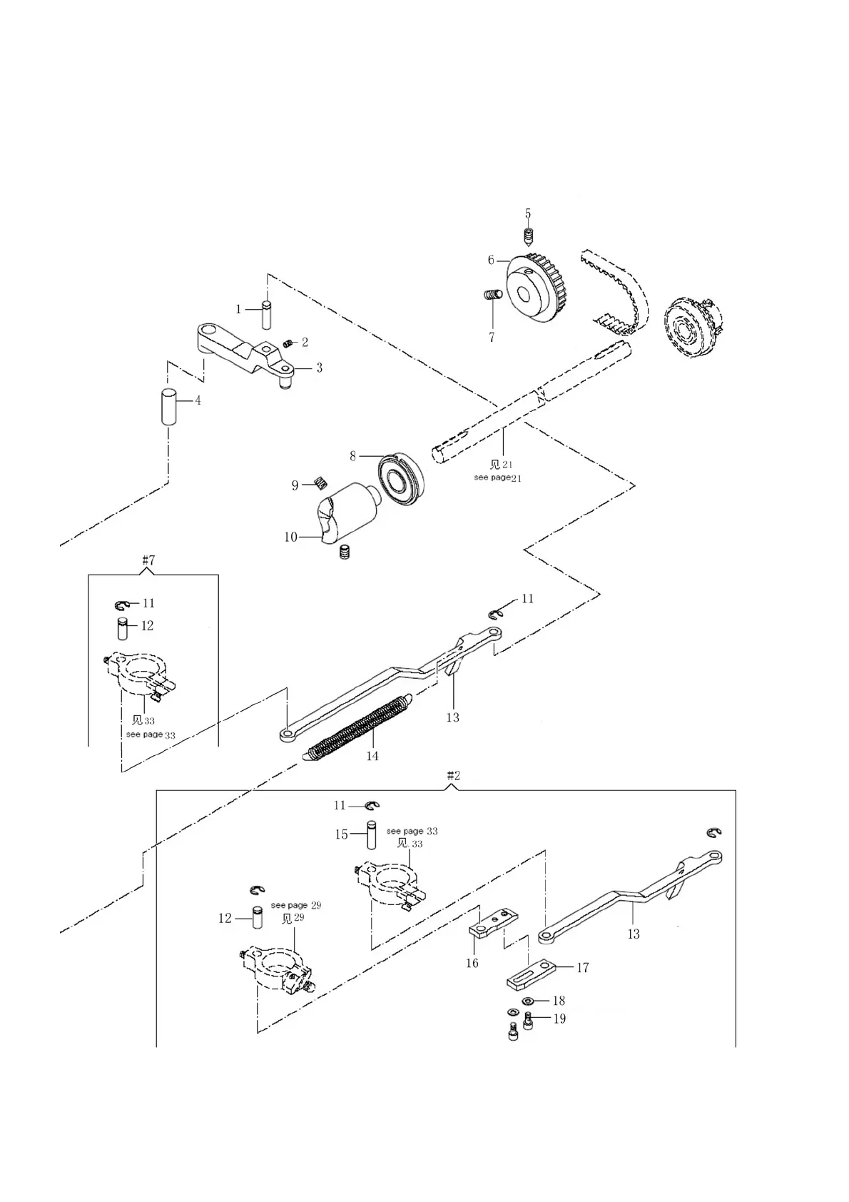
剪线器(-D9630
Thread tirmmer(-D9630)
-41-