EasyManua.ls Logo

JOYEE ZJ9610 - Peneumatic Equipment; 气动设备

Default Icon
155 pages
Print Icon
To Next Page IconTo Next Page
To Next Page IconTo Next Page
To Previous Page IconTo Previous Page
To Previous Page IconTo Previous Page
Loading...
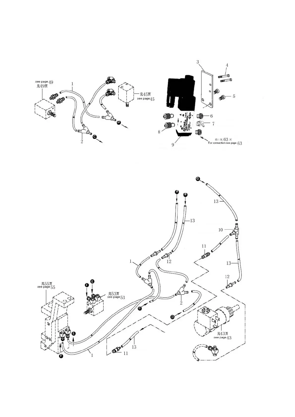
气动设备
Pneumatic equipment
-59-