EasyManua.ls Logo

JOYEE ZJ9610 - Backtacking Drive Mechanism (9620-D3)

Default Icon
155 pages
Print Icon
To Next Page IconTo Next Page
To Next Page IconTo Next Page
To Previous Page IconTo Previous Page
To Previous Page IconTo Previous Page
Loading...
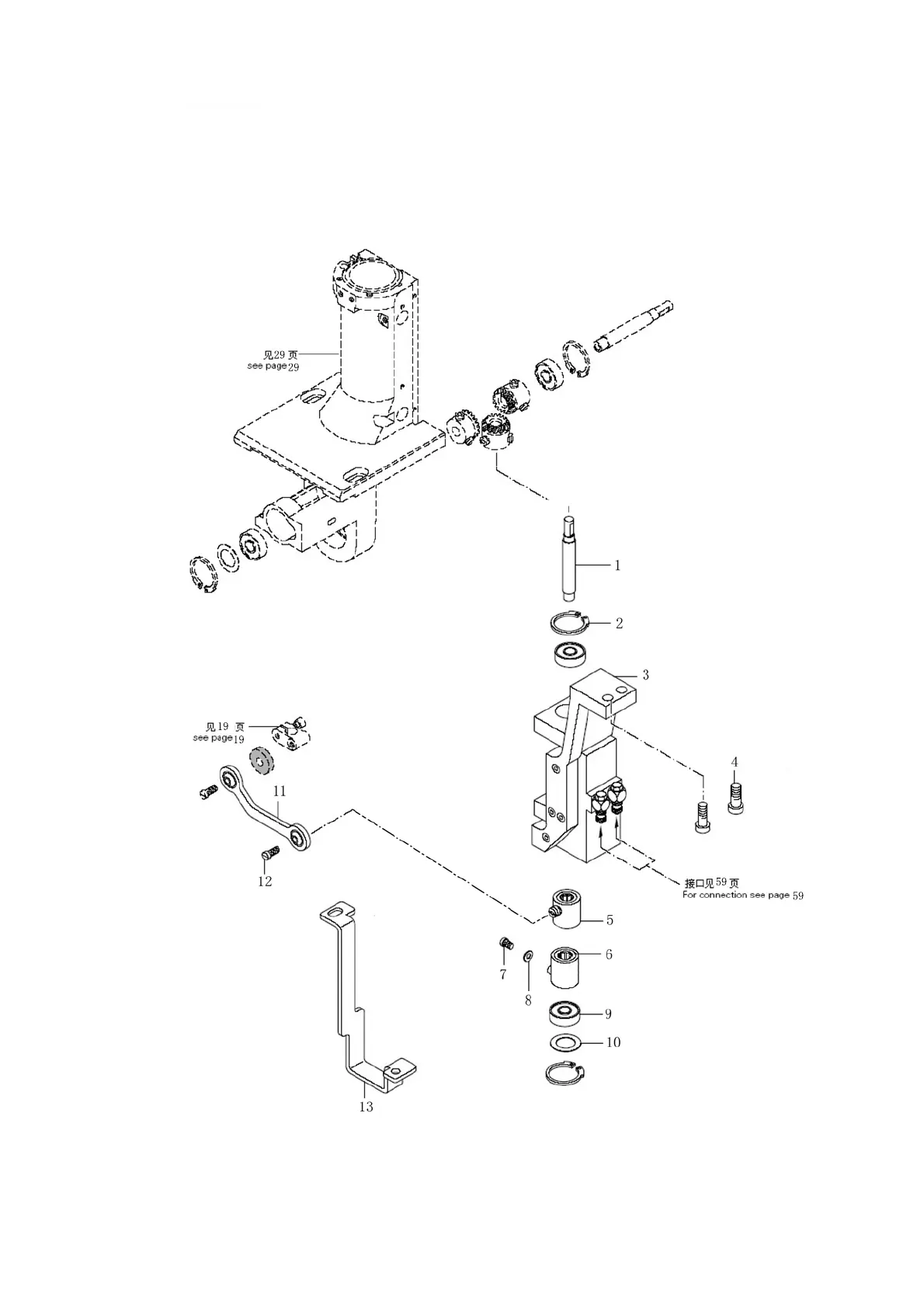
倒缝驱动装置(9620-D3
Backtacking drive mechanism(9620-D3)
-55-