EasyManua.ls Logo

JS Automation YPV-040 - Page 28

JS Automation YPV-040
70 pages
Print Icon
To Next Page IconTo Next Page
To Next Page IconTo Next Page
To Previous Page IconTo Previous Page
To Previous Page IconTo Previous Page
Loading...
27
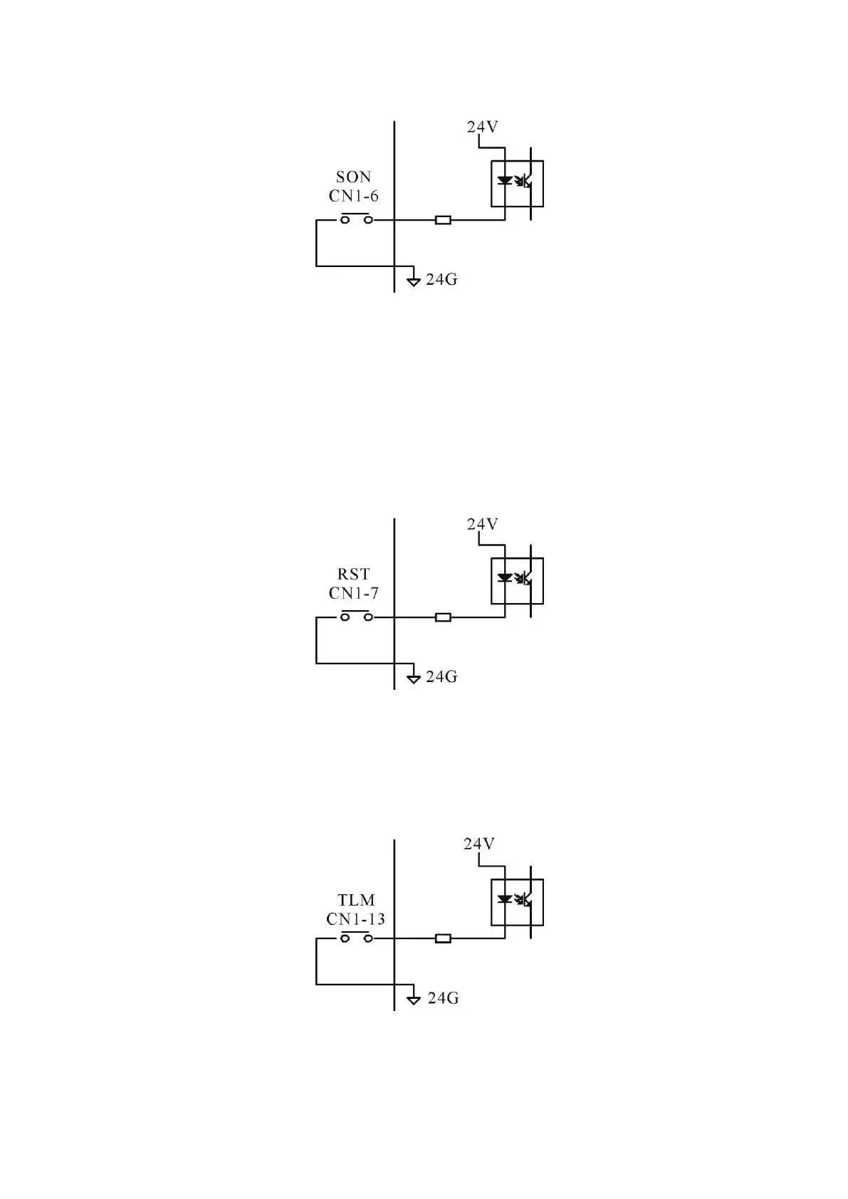
12.2 Servo ON input (CN1-6)
This signal is used to turn on and off the power to the servomotor.
Note:
1. Contact this input to ground will make the Mokon driver ready to receive the command pulse or
analog voltage input.
2. Open the contact will make the servo motor free run. Do not use this signal to work as motor stop
signal.
12.3 RST Servo reset input (CN1-7)
This signal is used to reset the servo drive after clearing the servo alarm.
12.4 TLM Torque limit input (CN1-13)
This signal, together with the TLCMD+ analog voltage input (CN1-9) torque limit signal, is to
protect the apparatus or work piece. If the input torque limit exceeds the maximum motor rated torque,
then the maximum motor rated torque is the maximum torque limit.
A too low torque limit might cause the problem of insufficient torque during acceleration/
deceleration.