EasyManua.ls Logo

Jung 1701SE - Information for Electrically Skilled Persons

Jung 1701SE
7 pages
Print Icon
To Next Page IconTo Next Page
To Next Page IconTo Next Page
To Previous Page IconTo Previous Page
To Previous Page IconTo Previous Page
Loading...
4 Information for electrically skilled persons
DANGER!
Mortal danger of electric shock.
Disconnect the device. Cover up live parts.
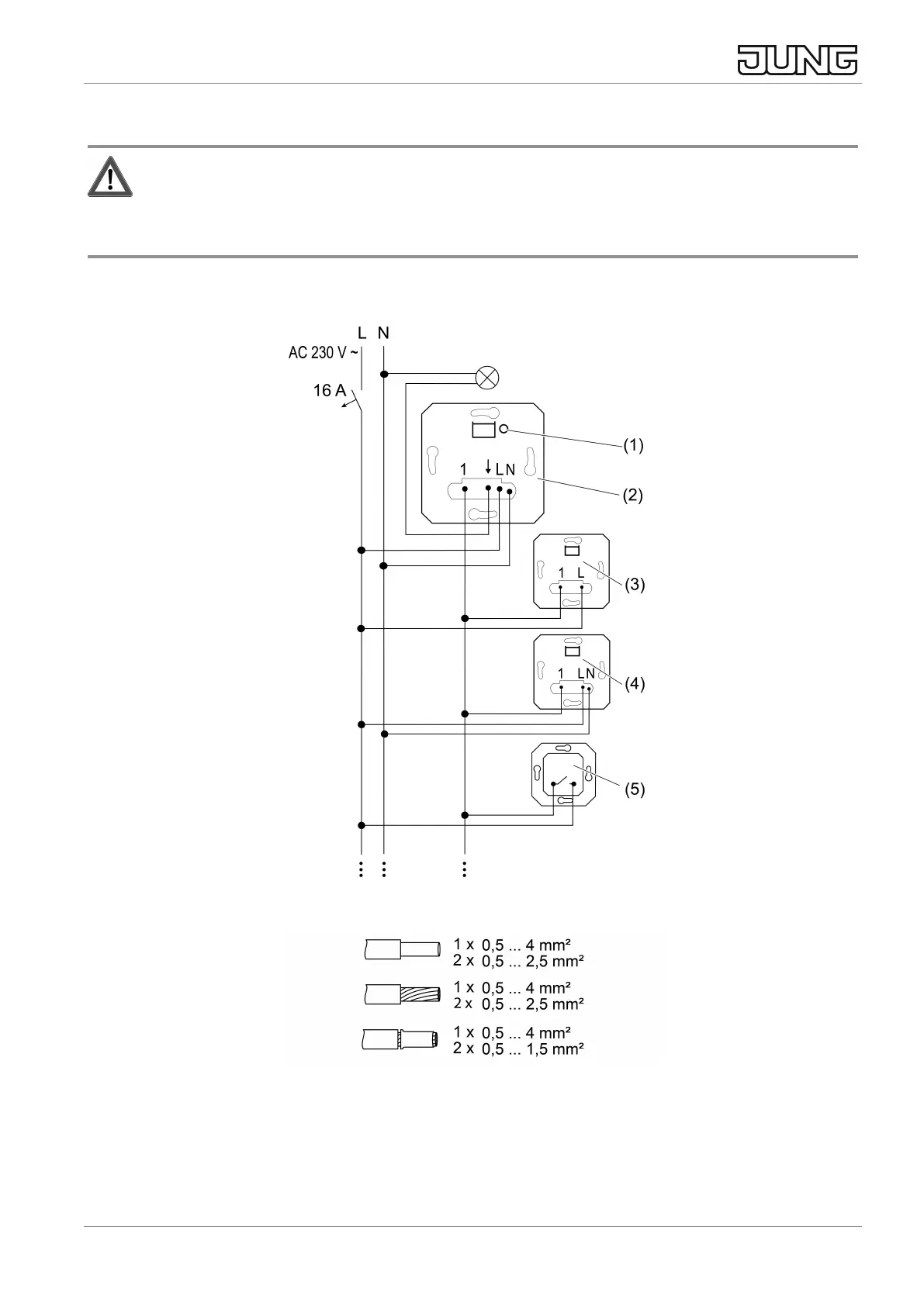
Connecting and fitting the device
Image1: Connection diagram with optional extensions
Image2: Terminal-specific cable cross-section
Connect the switch insert (2) according to the connection diagram
(see figure 1). Note clampable cable cross-sections (see figure 2).
Connect the 2-wire extension (3), the 3-wire extension (4) and as an option,
the push-button with NO contact (5).
Relay switch insert 1-channel
4 / 7
82597453 19.10.2022
J0082597453

Related product manuals