EasyManua.ls Logo

JVC CU-VD10 - Anschluss an einen PC

JVC CU-VD10
112 pages
Print Icon
To Next Page IconTo Next Page
To Next Page IconTo Next Page
To Previous Page IconTo Previous Page
To Previous Page IconTo Previous Page
Loading...
DE 5
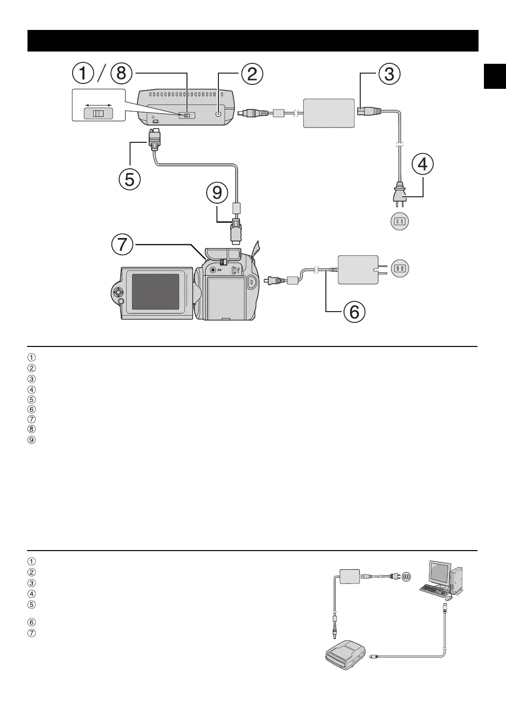
Anschlüsse
OFF ON
USB-Kabel
Netzteil
(für den Brenner)
Netzkabel
An Netzsteckdose
Netzteil
(für die Kamera)
An DC-Anschluss
An DC-Anschluss
An USB-Anschluss
An USB-Anschluss
Festplattenkamera
Rückseite des
Brenners
Anschluss an die Kamera
Vergewissern Sie sich, dass der Hauptschalter des Brenners auf OFF ist.
Schließen Sie das Netzteil an den Brenner an.
Schließen Sie das Netzkabel an das Netzteil an.
Schließen Sie das Netzkabel an die Netzsteckdose an.
Schließen Sie das mitgelieferte USB-Kabel an den USB-Anschluss des Brenners an.
Schließen Sie die Kamera an eine Netzsteckdose an. ( Siehe Bedienungsanleitung für die Kamera.)
Schalten Sie die Kamera ein.
Schalten Sie den Brenner ein. Das Licht an der Vorderseite des Brenners leuchtet grün.
Schließen Sie das mitgelieferte USB-Kabel an den USB-Anschluss der Kamera an.
HINWEISE:
Legen Sie eine Disc ein, nachdem [DISK EINLEGEN] auf der Kamera angezeigt wird.
Vergewissern Sie sich, dass Sie das mitgelieferte USB-Kabel für den Anschluss an den Brenner und die Kamera verwenden.
Wenn Sie eine Kamera verwenden, stellen Sie sicher, dass die Stromzufuhr über das Netzteil und nicht über eine Batterie erfolgt.
Setzen Sie die Kamera oder den Brenner während des Schreibvorgangs keinen Vibrationen oder mechanischen Stößen aus. Seien Sie
besonders vorsichtig, wenn sich die Kamera während des Schreibvorgangs auf dem Brenner befindet.
Siehe “Überspielen von Videodateien auf DVD-Disks” im Handbuch zum Beschreiben von Discs.
DVD-Discs, die mit diesem Gerät beschrieben werden, können auf einigen DVD-Recordern/-Playern nicht abgespielt werden. Verwenden
Sie in diesem Fall für die Wiedergabe von Discs die [DVD PROBEABSPIELEN]-Taste der Kamera.
Anschluss an einen PC
Vergewissern Sie sich, dass der Hauptschalter des Brenners auf OFF ist.
Schließen Sie das Netzteil an den Brenner an.
Schließen Sie das Netzkabel an das Netzteil an.
Schließen Sie das Netzkabel an die Netzsteckdose an.
Schalten Sie den Brenner ein.
Das Licht an der Vorderseite des Brenners leuchtet grün.
Schalten Sie den PC ein.
Schließen Sie den Brenner mithilfe des USB-Kabels an den PC an.
HINWEIS:
Um den Brenner an den PC anzuschließen, verwenden Sie das mit der Kamera
mitgelieferte USB-Kabel.
USB-Kabel
(für die Kamera)
Netzteil
(für den Brenner)
Netzkabel
CU-VD10_Instruction_GE.fm Page 5 Thursday, February 9, 2006 10:08 PM

Related product manuals