EasyManua.ls Logo

JVC CU-VD10 - Připojení K PočítačI

JVC CU-VD10
112 pages
Print Icon
To Next Page IconTo Next Page
To Next Page IconTo Next Page
To Previous Page IconTo Previous Page
To Previous Page IconTo Previous Page
Loading...
ČE 5
Připojení
OFF ON
Kabel USB
AC-adaptér
(dodáván s vypalovací
jednotkou)
Napájecí šňůra
K elektrické
zásuvce
AC-adaptér
(dodáván s videokamerou)
Ke konektoru DC
Ke konektoru DC
Ke konektoru USB
Ke konektoru USB
Videokamera s pevným diskem
Zadní strana
vypalovací jednotky
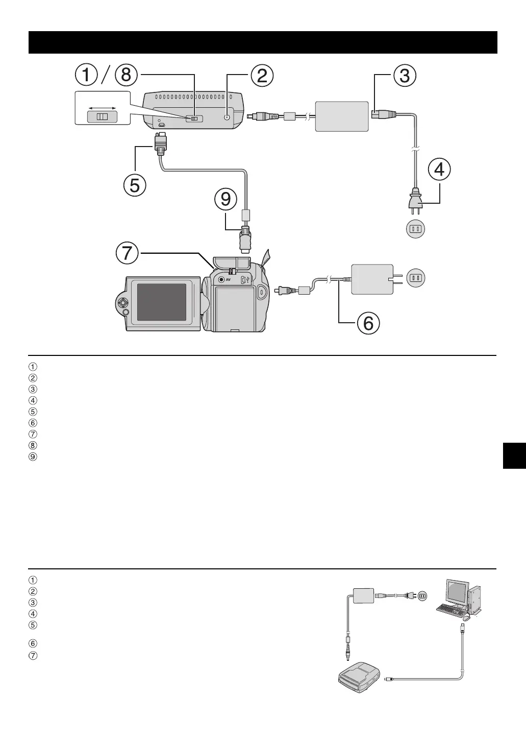
Připojení k videokameře
Zajistěte, aby spínač napájení vypalovací jednotky byl v poloze vypnuto.
Připojte AC-adaptér k vypalovací jednotce.
Připojte napájecí šňůru k AC-adaptéru.
Zapojte napájecí šňůru do elektrické zásuvky.
Zapojte dodaný kabel USB do konektoru USB vypalovací jednotky.
Zapojte videokameru do elektrické zásuvky. ( Viz příručka k obsluze videokamery.)
Zapněte videokameru.
Zapněte vypalovací jednotku. Na přední části vypalovací jednotky se rozsvítí zelené světlo.
Zapojte dodaný kabel USB do konektoru USB videokamery.
POZNÁMKY:
Jakmile se na videokameře zobrazí [VLOŽIT DISK], vložte disk.
Zajistěte, abyste vypalovací jednotku a videokameru propojili dodaným kabelem USB.
Při použití videokamery dbejte na to, aby napájení zajišt’oval AC-adaptér a nikoli baterie.
Při zápisu na disk nevystavujte videokameru ani vypalovací jednotku vibracím nebo nárazům. Zvýšené opatrnosti dbejte zejména v
případě umístění videokamery na vypalovací jednotku během zápisu.
Informace o zápisu na disky viz “Přenos videosouborů na disky DVD” v příručce.
Na některých DVD-rekordérech či přehrávačích nelze přehrávat disky, na něž zapisovala tato jednotka. V tomto případě použijte k
přehrávání disků funkci [KONTROLA PŘEHR. DVD] videokamery.
Připojení k počítači
Zajistěte, aby spínač napájení vypalovací jednotky byl v poloze vypnuto.
Připojte AC-adaptér k vypalovací jednotce.
Připojte napájecí šňůru k AC-adaptéru.
Zapojte napájecí šňůru do elektrické zásuvky.
Zapněte vypalovací jednotku.
Na přední části vypalovací jednotky se rozsvítí zelené světlo.
Zapněte počítač.
Připojte vypalovací jednotku k počítači pomocí kabelu USB.
POZNÁMKA:
Chcete-li připojit vypalovací jednotku k počítači, použijte kabel USB dodávaný s
videokamerou.
Kabel USB
(dodáván s videokamerou)
AC-adaptér
(dodáván s vypalovací
jednotkou)
Napájecí šňůra
CU-VD10_Instruction_CZ.fm Page 5 Thursday, February 9, 2006 10:44 PM

Related product manuals