EasyManua.ls Logo

JVC FS-SD5R - BA15218 F-XE (IC102): Dual Op. Amp.

JVC FS-SD5R
62 pages
Print Icon
To Next Page IconTo Next Page
To Next Page IconTo Next Page
To Previous Page IconTo Previous Page
To Previous Page IconTo Previous Page
Loading...
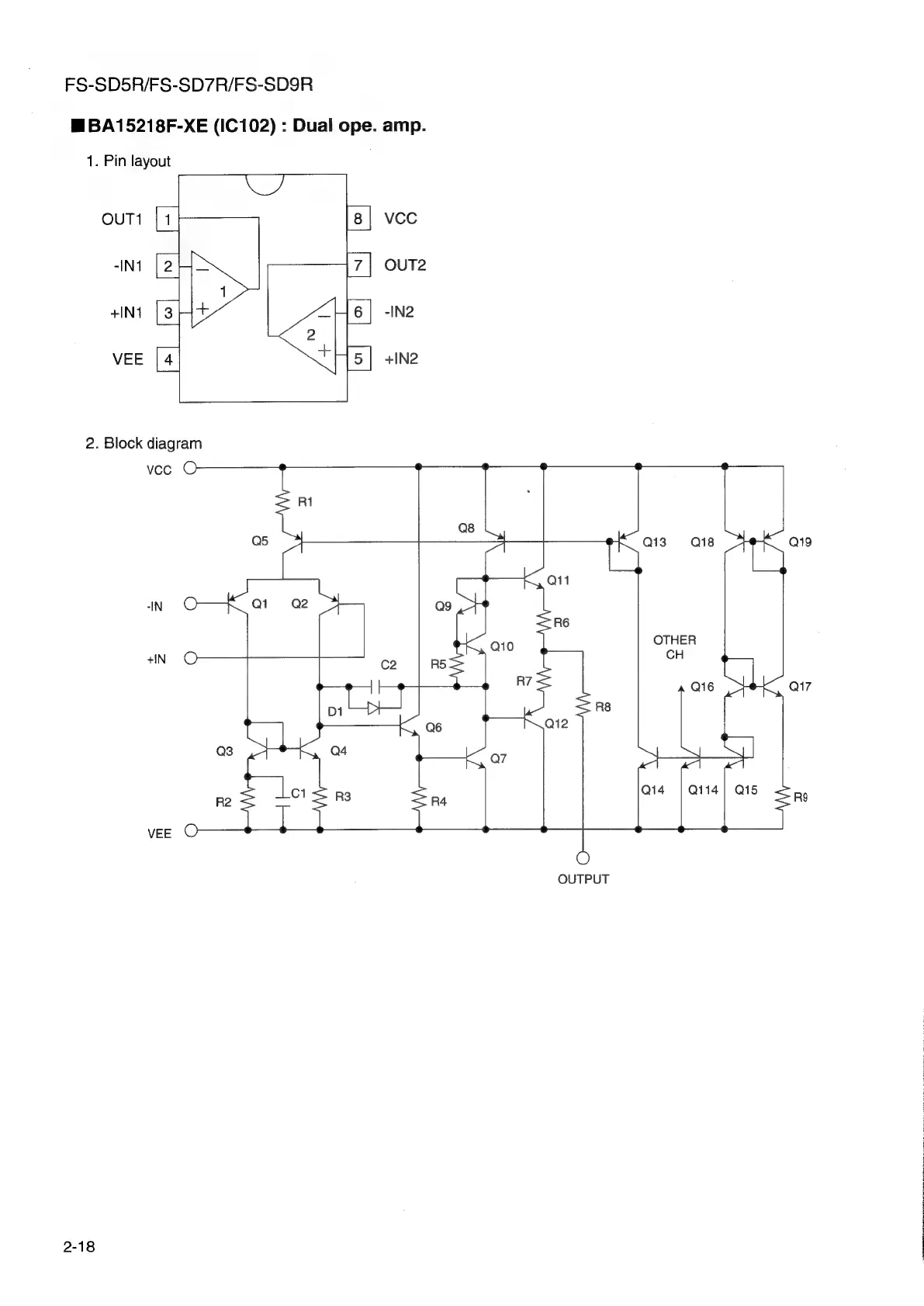
FS-SD5R/FS-SD7R/FS-SD9R
§BA15218F-XE
(C102)
:
Dual
ope.
1.
Pin
layout
ouT1
|
1|
-IN1
+IN1
VEE
2.
Block
diagram
amp.
vec
OUT2
-IN2
+IN2
vec
O-
Q5
IN
O
.
oe
sa
RI
as
Q13
Qi8
a
Q19
ait
as
fi
ie
OTHER
ato
+N
O
|e
=a
CH
A7=
4
QI6
Qi7
Gs
os
al
Q12
Q3 aa
a
LS
|
C1
R3
RA
Q14
Q114
Rg
R2
VEE
O
;
O
OUTPUT
|
|
|

Other manuals for JVC FS-SD5R

Related product manuals