EasyManua.ls Logo

JVC FS-SD5R - KIA78 S06 P-T (IC702): Regulator; NJM4580 D-D (IC101): Dual Op. Amp.

JVC FS-SD5R
62 pages
Print Icon
To Next Page IconTo Next Page
To Next Page IconTo Next Page
To Previous Page IconTo Previous Page
To Previous Page IconTo Previous Page
Loading...
FS-SD5R/FS-SD7R/FS-SD9R
@
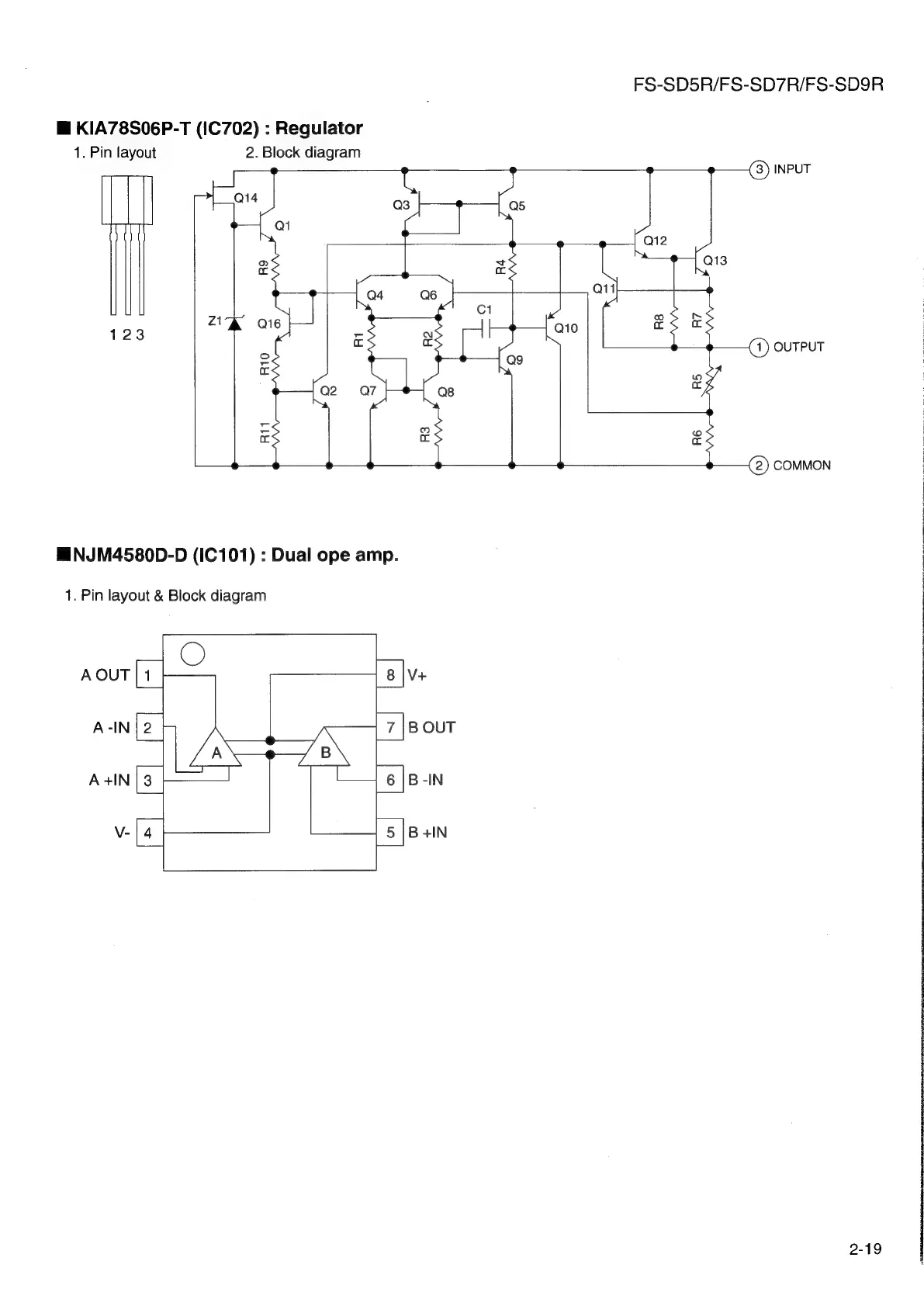
KIA78S06P-T
(iC702)
:
Regulator
1.
Pin
layout
2.
Block
diagram
(3)
INPUT
*
Q12
Q13
Qi
a
co
MN
Qi0
i
MNJM4580D-D
(IC
101)
:
Dual
ope
amp.
|
1.
Pin
layout
&
Block
diagram
2-19

Other manuals for JVC FS-SD5R

Related product manuals