EasyManua.ls Logo

JVC FS-SD5R - TA2057 N (IC1): FM;AM IF AMP & Detector

JVC FS-SD5R
62 pages
Print Icon
To Next Page IconTo Next Page
To Next Page IconTo Next Page
To Previous Page IconTo Previous Page
To Previous Page IconTo Previous Page
Loading...
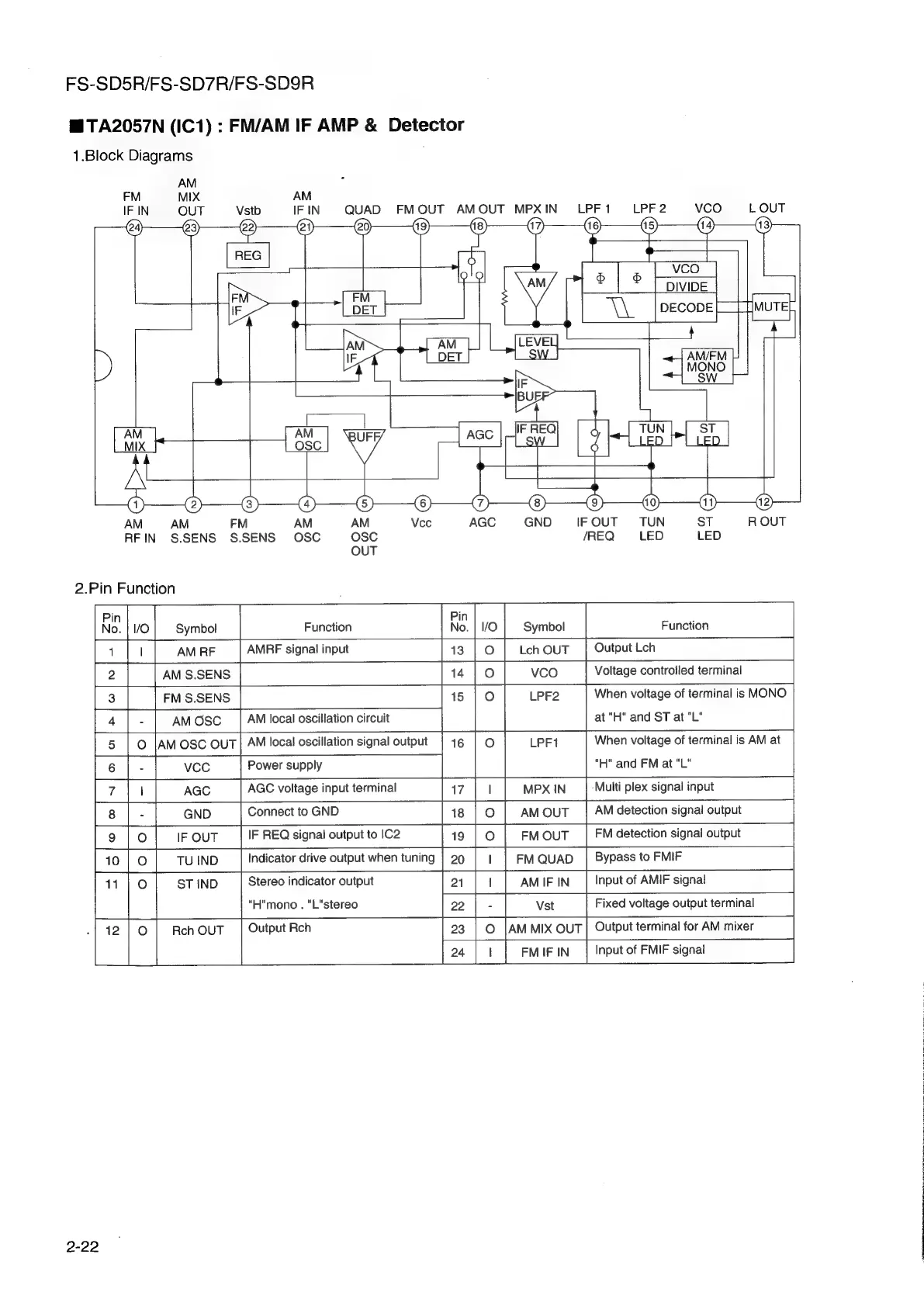
FS-SD5R/FS-SD7R/FS-SD9R
MI
TA2057N
(IC1)
:
FM/AM
IF
AMP
&
Detector
1.Block
Diagrams
AM
FM
MIX
AM
IF
IN
OUT
Vstb
IF
IN
QUAD
FMOUT
AMOUT
MPXIN-~
LPF1
LPF
2
VCO
L
OUT
—(24)
3
&
(14)
13
REG
:
DIVIDE
IF
r
pecone|
MUTE
4
A
AM/FM
MONO
SW
a
a
rea
MIX
a
5
FD
t
=
1
@-—©®)
©
©
~©)
1)
AM
AM
FM
AM
AM
Vcc
AGC
GND
IFOUT
TUN
ST
R
OUT
RFIN
S.SENS
S.SENS
OSC
OSC
/REQ
LED
LED
OUT
2.Pin
Function
Pin
; ;
No.
|
I/O
Symbol
Function
Symbol
Function
1
|
AM
RF
AMPF
signal
input
Lch
OUT
Output
Lch
3
FM
S.SENS
15
LPF2
When
voltage
of
terminal
is
MONO
4
:
AM
OSC
AM
local
oscillation
circuit
at"H"
and
ST
at
"L"
5
|
O
IAMOSC
OUT|
AM
local
oscillation
signal
output
16
LPF1
When
voltage
of
terminal
is
AM
at
6
=
VCC
Power
supply
"H"
and
FM
at
"L"
7
|
AGC AGC
voltage
input
terminal
17
MPX
IN
Multi
plex
signal
input
8
|
GND
Connect
to
GND
18
AM
OUT
aE
detection
signal
output
9/0
ae
IF
OUT
IF
REQ
signal
output
to
IC2
19
FM
OUT
FM
detection
signal
output
10/0
TU
IND
Indicator
drive
output
when
tuning
|
20
FM
QUAD
|
Bypass
to
FMIF
11
To
ST
IND
Stereo
indicator
output
24
AM
IF
IN
Input
of
AMIF
signal
I
"H"mono
.
"L"stereo
29
Vst
Fixed
voltage
output
terminal
12/10
Rch
OUT
Output
Reh
23
AM
MIX
OUT
|
Output
terminal
for
AM
mixer
24
FM
IF
IN
Input
of
FMIF
signal
2-22

Other manuals for JVC FS-SD5R

Related product manuals