EasyManua.ls Logo

JVC FS-SD5R - TA8409 F-W (IC108): Bridge Driver; UPD78 L5 J-T (IC191): Regulator

JVC FS-SD5R
62 pages
Print Icon
To Next Page IconTo Next Page
To Next Page IconTo Next Page
To Previous Page IconTo Previous Page
To Previous Page IconTo Previous Page
Loading...
FS-SD5R/FS-SD7R/FS-SD9R
@
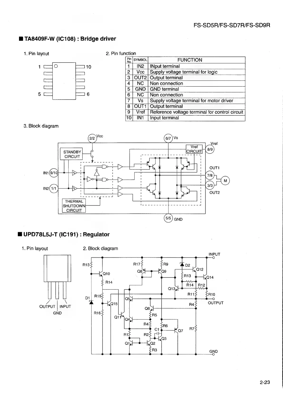
TA8409F-W
(IC
108)
:
Bridge
driver
1.
Pin
layout
2.
Pin
function
FUNCTION
INput
terminal
Supply
voltage
terminal
for
logic
OUT2]
Output
terminal
GND
terminal
Non
connection
Supply
voltage
terminal
for
motor
driver
Output
terminal
Reference
voltage
terminal
for
control
circuit
IN1_
|
Input
terminal
3.
Block
diagram
UPD78L5J-T
(IC191)
:
Regulator
1.
Pin
layout
2.
Block
diagram
L
\
OUTPUT
|
INPUT
GND
2-23

Other manuals for JVC FS-SD5R

Related product manuals