EasyManua.ls Logo

JVC GET0592-002B - Troubleshooting; Localizacion de Averias

JVC GET0592-002B
6 pages
Print Icon
To Next Page IconTo Next Page
To Next Page IconTo Next Page
To Previous Page IconTo Previous Page
To Previous Page IconTo Previous Page
Loading...
5
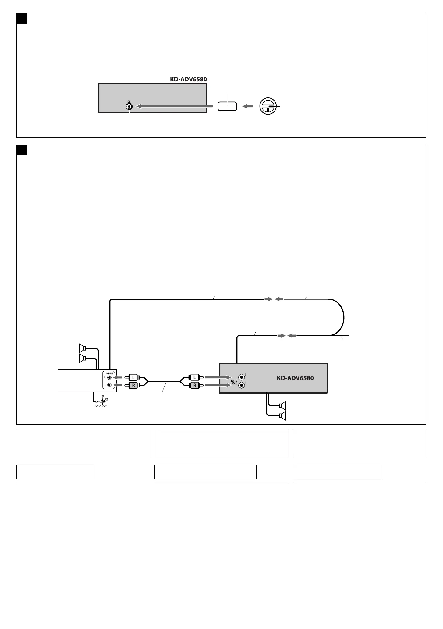
Connecting the external amplifier / Conexión del amplificador / Connexion d’un amplificateur extérieur
Rear speakers
Altavoces posteriores
Enceintes arrière
Remote lead (blue with white stripe)
Cable remoto (azul con rayas blancas)
Fil d’alimentation à distance (bleu avec bande blanche)
To the remote lead of other equipment or automatic antenna if any
Al conductor remoto de otro equipo o de la antena automática, si hubiere
Au fil de télécommande de l’autre appareil ou à l’antenne automatique s’il y en a une
Y-connector (not supplied for this unit)
Conector en Y (no suministrado con esta unidad)
Connecteur Y (non fourni avec cet appareil)
Front speakers
Altavoces delanteros
Enceintes avant
F
JVC Amplifier
Amplificador de JVC
JVC Amplificateur
Remote lead
Cable remoto
Fil d’alimentation à distance
Signal cord (not supplied for this unit)
Cable de señal (no suministrado con esta unidad)
Cordon de signal (non fourni avec cet appareil)
TROUBLESHOOTING
The fuse blows.
* Are the red and black leads connected correctly?
Power cannot be turned on.
* Is the yellow lead connected?
No sound from the speakers.
* Is the speaker output lead short-circuited?
Sound is distorted.
* Is the speaker output lead grounded?
* Are the “–” terminals of L and R speakers grounded in common?
Noise interfere with sounds.
* Is the rear ground terminal connected to the car’s chassis using
shorter and thicker cords?
This unit becomes hot.
* Is the speaker output lead grounded?
* Are the “–” terminals of L and R speakers grounded in common?
This unit does not work at all.
* Have you reset your unit?
LOCALIZACION DE AVERIAS
El fusible se quema.
* ¿Están los conductores rojo y negro correctamente conectados?
No es posible conectar la alimentación.
* ¿Está el cable amarillo conectado?
No sale sonido de los altavoces.
* ¿Está el cable de salida del altavoz cortocircuitado?
El sonido presenta distorsión.
* ¿Está el cable de salida del altavoz conectado a masa?
* ¿Están los terminales “–” de los altavoces L y R conectados a una
masa común?
Perturbación de ruido.
* ¿El terminal de tierra trasero está conectado al chasis del automóvil
utilizando los cordones más corto y más grueso?
La unidad se calienta.
* ¿Está el cable de salida del altavoz conectado a masa?
* ¿Están los terminales “–” de los altavoces L y R conectados a una
masa común?
Este receptor no funciona en absoluto.
* ¿Reinicializó el receptor?
EN CAS DE DIFFICULTES
Le fusible saute.
* Les fils rouge et noir sont-ils racordés correctement?
L’appareil ne peut pas être mise sous tension.
* Le fil jaune est-elle raccordée?
Pas de son des enceintes.
* Le fil de sortie d’enceinte est-il court-circuité?
Le son est déformé.
* Le fil de sortie d’enceinte est-il à la masse?
* Les bornes “–” des enceintes gauche et droit sont-elles mises ensemble
à la masse?
Interférence avec les sons.
* La prise arrière de mise à la terre est-elle connectée au châssis de la
voiture avec un cordon court et épais?
L’appareil devient chaud.
* Le fil de sortie d’enceinte est-il à la masse?
* Les bornes “–” des enceintes gauche et droit sont-elles mises ensemble
à la masse?
Cet appareil ne fonctionne pas du tout.
* Avez-vous réinitialisé votre appareil?
E
Connecting to the steering wheel remote controller /
Conexión al control remoto del volante de dirección
/ Connexion de la télécommande
de volant
If your car is equipped with the steering wheel remote controller,
you can operate this unit using the controller. For connection, an
exclusive remote adapter (not supplied) which matches your car is
required. For details, consult the same car audio dealer as where the
unit is purchased.
Steering wheel remote input
Entrada del control remoto del volante de dirección
Entrée de la télécommande de volant
Steering wheel remote controller (equipped in the car)
Control remoto del volante de dirección (equipado en el vehículo)
Télécommande de volant (installée dans la voiture)
Remote adapter (not supplied for this unit)
Adaptador para remoto exclusivo (no suministrado con esta unidad)
Adaptateur pour télécommande spécialisé (non fourni avec cet appareil)
Si votre voiture est équipée d’une télécommande de volant, vous
pouvez commander cet autoradio en utilisant cette télécommande.
Pour la connexion, vous avez besoin d’un adaptateur de
télécommande spécialisé (non fourni) correspondant à votre voiture.
Pour en savoir plus, consultez le revendeur autoradio où vous avez
acheté votre autoradio.
Si su automóvil está equipado con control remoto en el volante de
dirección, podrá controlar este receptor utilizando el control remoto.
Para la conexión, se requiere un adaptador remoto exclusivo (no
suministrado) que sea adecuado para su automóvil. Para los detalles,
consulte con el concesionario car audio donde compró el receptor.
You can connect an amplifier to upgrade your car stereo system.
Connect the remote lead (blue with white stripe) to the remote
lead of the other equipment so that it can be controlled through
this unit.
For amplifier only:
Disconnect the speakers from this unit, connect them to
the amplifier. Leave the speaker leads of this unit unused.
You can switch off the built-in amplifier and send the audio
signals only to the external amplifier(s) to get clear sounds and
to prevent internal heat built-up inside the unit. See page 41 of
the INSTRUCTIONS (separate volume).
The line output level of this unit is kept high to maintain the
hi-fi sounds reproduced from this unit.
When connecting an external amplifier to this unit, turn
down the gain control on the external amplifier to obtain the
best performance from this unit.
Usted podrá conectar un amplificador para mejorar el sistema estéreo
de su automóvil.
Conecte el conductor remoto (azul con rayas blancas) al conductor
remoto del otro equipo para poderlo controlar a través de esta unidad.
Sólo para el amplificador:
Desconecte los altavoces de esta unidad y conéctelos al
amplificador. Los cables de los altavoces de esta unidad
quedan sin usar.
Podrá desconectar el amplificador incorporado y enviar las
señales de audio solamente al(los) amplificador(es) externo(s) para
obtener sonidos nítidos y evitar que se caliente el interior de la
unidad. Consulte la página 41 del MANUAL DE INSTRUCCIONES
(volumen separado).
El nivel de salida de línea de esta unidad permanece alto para que
corresponda con los sonidos de alta fidelidad reproducidos por
esta unidad.
Cuando conecte un amplificador externo a esta unidad,
disminuya el control de ganancia del amplificador externo para
obtener un óptimo rendimiento de esta unidad.
Vous pouvez connecter un amplificateur pour améliorer votre système
autoradio.
Connectez le fil de commande à distance (bleu avec bande blanche)
au fil de commande à distance de l’autre appareil de façon qu’il
puisse être commandé via cet appareil.
Pour l’amplificateur seulement:
Déconnectez les enceintes de cet appareil et connectez-
les à l’amplificateur. Laissez les fils d’enceintes de cet
appareil inutilisés.
Vous pouvez mettre hors service l’amplificateur intégré et envoyer
les signaux audio uniquement sur un ou plusieurs amplificateurs
extérieurs afin d’obtenir un son clair et d’éviter tout
échauffement interne de l’autoradio. Voir page 41 du MANUEL
D’INSTRUCTIONS (volume séparé).
Le niveau de sortie de ligne de cet appareil est maintenu à un
niveau élevé pour maintenir une qualité Hi-Fi pour les sons
reproduits par cet appareil.
Lors de la connexion d’un amplificateur extérieur à cet
appareil, diminuez le réglage du gain sur l’amplificateur
extérieur pour obtenir les meilleures performances de cet appareil.
*
2
Fije firmemente el cable de tierra a la carrocería metálica o al chasis—a
un lugar no cubierto con pintura (si está cubierto con pintura, quítela
antes de fijar el cable). De lo contrario, se podrían producir daños en la
unidad.
*
2
Firmly attach the ground wire to the metallic body or to the chassis of
the car—to the place uncoated with paint (if coated with paint, remove
the paint before attaching the wire). Failure to do so may cause damage
to the unit.
*
2
Attachez solidement le fil de mise à la masse au châssis métallique de
la voiture—à un endroit qui n’est pas recouvert de peinture (s’il est
recouvert de peinture, enlevez d’abord la peinture avant d’attacher le fil).
L’appareil peut être endommagé si cela n’est pas fait correctement.
Install2_KD-ADV6580[J]f.indd 5Install2_KD-ADV6580[J]f.indd 5 2/24/09 12:45:55 PM2/24/09 12:45:55 PM