EasyManua.ls Logo

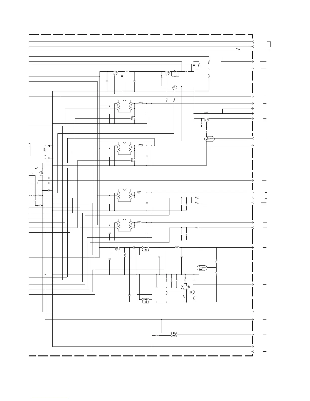
JVC GR-D270US - Main (MONI;VF) Schematic Diagram; Monitor and Viewfinder Circuits

JVC GR-D270US
56 pages
Print Icon
To Next Page IconTo Next Page
To Next Page IconTo Next Page
To Previous Page IconTo Previous Page
To Previous Page IconTo Previous Page
Loading...
(No.YF075)2-20
GND
L6201
NQL87EN-390X
C6201
1
C6202
10
C6701
1
D6701
RSX101VA-30
D6702
OPEN
R6702
0.2
0.25W
NRV142F-R20X
L6701
NQL52EM-220X
C6702
10
R6008
82k
R6009
33k
V_BATT
M_UNREG
SYS_RSTL
REGRTC_OUT
TO CPU
TO MAIN IF
(CN113)
REGRTC_CLK
REG_CS
REG_1.7V
L6101
NQL87EN-390X
C6101
1
C6102
10
L6301
NQLZ012-470X
C6301
1
C6302
1
L6401
NQLZ012-470X
C6401
1
C6402
1
I_MTR
C6501
1
L6501
NQL52EM-221X
D6501
RB480Y-W
1
23
4
C6502
1
C6503
1
C6508
1
C6506
1
C6505
1
Q6502
HN1A01FU/G/-X
2
63
5
41
Q6503
2SC4617/RS/-X
R6503
82k
R6505
OPEN
R6504
82k
R6506
10k
R6507
33k
R6508
1k
L6702
NQL79GM-220X
Q6704
2SA1577/RS/-X
R6706
10k
R6707
1.5k
Q6705
DTC124TE-X
REG_4.8V
M_REG4.8
VFREG4.8
VF_CTL
DRUM_PWR
CAP_PWR
REG_15V
R6305
10k
R6303
100k
C6303
0.068
DRUM_ERR
D_GAIN
REG-CCD
R6404
47k
R6403
27k
C6403
1
CAP_ERR
R6010
1k
C6507
OPEN
D6502
RB480Y-W
1
23
4
D6001
RB715W-X
2
1
3
AL_3.1V
GND
LIT_3V
L6502
NQL38DK-100X
C6504
OPEN
REG_3.1V
Q6201
QS6U24-W
1
A
2
S
3
G
4
D
5
NC
6
CA
Q6101
QS6U24-W
1
A
2
S
3
G
4
D
5
NC
6
CA
Q6301
QS6U24-W
1
A
2
S
3
G
4
D
5
NC
6
CA
R6509
OPEN
R6510
OPEN
D6801
RB551V-30-X
L6801
NQL79GM-470X
C6802
10
C6512
1
C6511
0.01
Q6103
S
SM3J14T-X
D
G
S
R6704
1M
R6705
1M
Q6703
SSM3J14T-X
D
G
S
Q6501
SSM3J14T-X
D
G
S
Q6701
SSM3J14T-X
D
G
S
R6106
100k
C6106
1
REG_2.5V
R6108
36k
R6107
k
Q6702
SSM3J14T-X
D
G
S
Q6401
QS6U24-W
1
A
2
S
3
G
4
D
5
NC
6
CA
Q6504
OPEN
R6110
C6107
0.022
12k
R6304
R6001
1k
R6701
LITHIUM
Q6202
OPEN
D
G
S
Q6102
OPEN
D
G
S
REG_12V
D6703
RSX101VA-30
R6720
OPEN
R6719
39µ
22µ
_0.5%
_0.5%
39µ
47µ
47µ
220µ
_0.5%
_0.5%
22µ
10µ
47µ
_0.5%
_0.5%
3.3k
0
0
TO CPU
MAIN IF(CN113)
TO CPU
TO CPU
TO CPU
TO MONI/VF
TO CDS/TG
MONI/VF
TO MAIN IF
(CN103)
TO CDS/TG
TO CPU
TO MAIN IF
(CN104)
PARAGON
VIDEO
TO CPU
MAIN IF(CN105)
MAIN IF(CN105)
MAIN IF(CN108)
MAIN IF(CN105)
TO PARAGON,
VIDEO,USB
MAIN IF(CN105)
y10499001a_rev0.1
I
ONS".

Other manuals for JVC GR-D270US

Related product manuals