EasyManua.ls Logo

JVC GR-D270US - CCD Schematic Diagram

JVC GR-D270US
56 pages
Print Icon
To Next Page IconTo Next Page
To Next Page IconTo Next Page
To Previous Page IconTo Previous Page
To Previous Page IconTo Previous Page
Loading...
2-27(No.YF075)
#
#
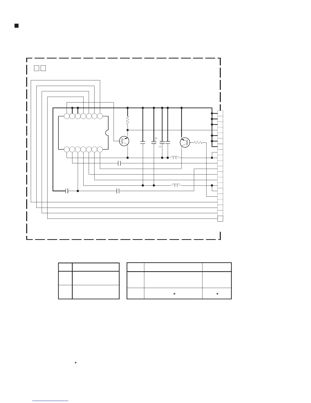
IC5501
ICX281HKM-V
DSC
Q5002
R5002
2SC4081/QR/-X
BA847BW-X
4.7K
ICX281HKM-K
DSC
DSC
ICX440UKM-V
IC5001
14
TEST
13
H2
12
H1
11
VL
10
SUB
9
RG
8
VDD
7
VOUT
6
GND
5
GND
4
V1
3
V2
2
V3
1
V4
Q5002
Q5001
2SC3931/CD/-X
R5001
4.7K
C5006
0.1
R5002
#
L5002
10µ
L5001
10µ
C5005
0.1
C5007
2200p
C5002
0.1
T
C5001
4.7/25
T
C5003
10/16
C5004
0.1
CN5001
QGF0517F2-20X
1V1
2V2
3V3
4V4
5 CCD_CTL
6 CCD_-7.5V
7 CCD_-7.5V
8H2
9H1
10 SUB
11 RG
12 CCD_15V
13 CCD_15V
14 GND
15 GND
16 GND
17 CCD_OUT
18 GND
19 GND
20 GND
NTSC
PAL
with
without
or
or
CCD
20
y40146001a_rev0.1
TO MAIN IF
(CN101)
CCD SCHEMATIC DIAGRAM
NOTES :1. For the destination of each signal and further line connectionsthat are cut off from this diagram,
refer to "BOARD INTERCONNECTIONS".
2. The parts with marked () is not used.
3. IC5001 is incorporated in the CCD base assembly .
When IC5001 needs replacement, replace the CCD base assembly in whole because it cannot be replaced alone.

Other manuals for JVC GR-D270US

Related product manuals