EasyManua.ls Logo

JVC GR-DVX44EG - Page 113

JVC GR-DVX44EG
130 pages
Print Icon
To Next Page IconTo Next Page
To Next Page IconTo Next Page
To Previous Page IconTo Previous Page
To Previous Page IconTo Previous Page
Loading...
1
2
3
5
4
ABCD EFGH
4.35 WB SENS
,
CAMERA OPE. UNIT
,
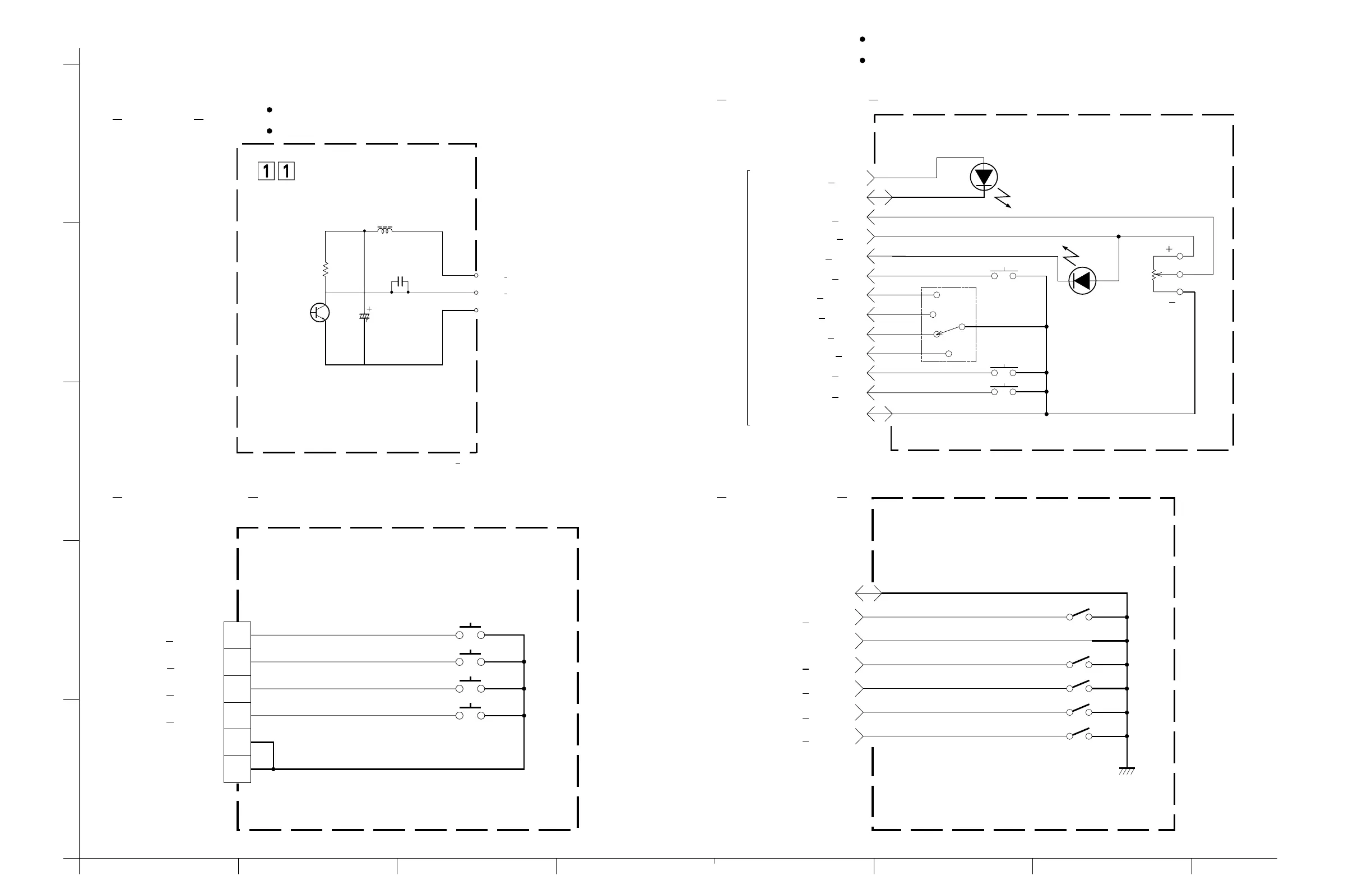
DECK OPE. ASSY AND SUB OPE. UNIT SCHEMATIC DIAGRAMS
4-69 4-70
PLAY/PAUSE
(
NIGHIT-ALIVE
)
KEY PLAY
STOP
(
BACK LIGHIT
)
FF
(
PROGRAM AE
)
REW
(
EXPOSURE
)
WB SENS
KEY JUMP
KEY SELECT
KEY SOUND
KEY CLIP
KEY INDEX
INDEX
D.SOUND PLAY
SELECT
JUMP
SUB OPE. UNIT
CAMERA OPE. UNIT
START/STOP
CHARGE LAMP
POWER LAMP
(
ZOOM SW/VOL.
)
W/
T/
POWER DIAL
SNAP SHOT
FOCUS/BLANK
PLAY
OFF
A
M
The schematic diagram is only for reference. Avoid replacing individual parts.
NOTES :
Replace the entire unit only.
For the destination of each signal and further line connections that are cut off from
this diagram
,
refer to "4.1 BOARD INTERCONNECTIONS".
CHARGE LED
GND
ZOOM SW
REG 3V
LED GND
TRIG SW
DIAL MANU
DIAL AUTO
DIAL OFF
PHOTO SW
GND
FOCUS SW
CN602
[13]
[12]
[11]
[10]
[9]
[8]
[7]
[6]
[5]
[4]
[3]
[2]
[1]
JUNCTION
TO
CAMERA OPE. UNIT
KEY REW
KEY FF
KEY STOP
GND
GND
GND
CN207
[1]
[2]
[3]
[7]
[5]
[4]
[6]
E-MAIL CLIP REC
NC
Q1151
WB WENS
RPM-22PB
IR 4.8V
IR OUT
GND
JP53
JP51
NQR0265-001X
L1151
JP52
R1151
3.0k
TO VF MAIN
CN104
3
1
2
10/6.3
W/B
(
WB SENS
)
y40074001a rev0
When ordering parts
,
be sure to order according to the Part Number indicated in the Parts List.
this diagram
,
refer to "4.1 BOARD INTERCONNECTIONS".
For the destination of each signal and further line connections that are cut off fromNOTES :
C1151
0.058
C1152
6
5
4
3
2
1
TO
CN803
DIAL PB
(
GR-DVX77EG/EK
,
DVX88EG
)
DECK OPE. ASSY
SUB OPE. UNIT
DECK OPE. ASSY

Table of Contents

Related product manuals