EasyManua.ls Logo

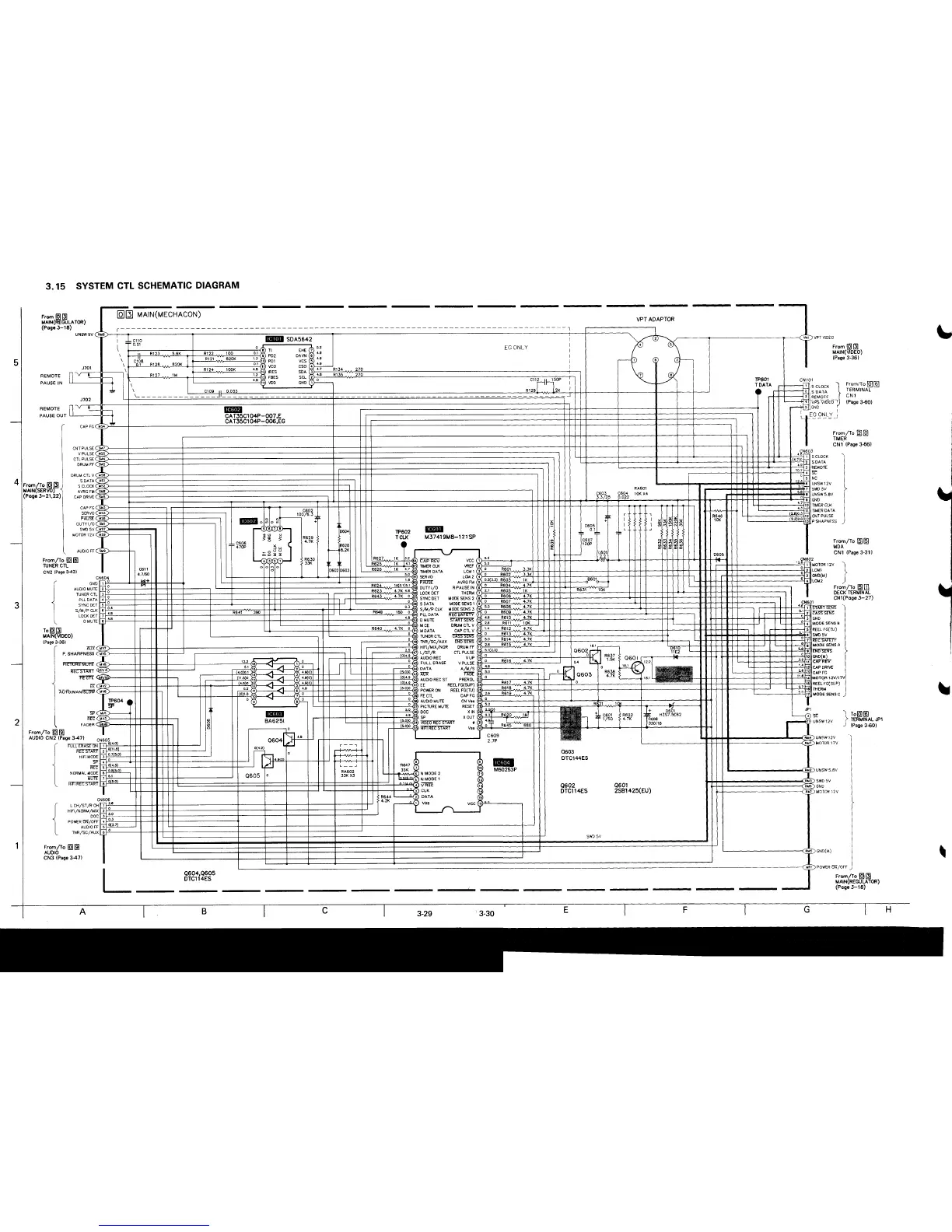
JVC HR-D960E - System CTL Schematic Diagram

JVC HR-D960E
95 pages
Print Icon
To Next Page IconTo Next Page
To Next Page IconTo Next Page
To Previous Page IconTo Previous Page
To Previous Page IconTo Previous Page
Loading...

Table of Contents

Related product manuals