EasyManua.ls Logo

JVC HR-DVS3EK - DV V out Schematic Diagram

JVC HR-DVS3EK
136 pages
Print Icon
To Next Page IconTo Next Page
To Next Page IconTo Next Page
To Previous Page IconTo Previous Page
To Previous Page IconTo Previous Page
Loading...
4-35 4-36
HGFEDCBA
4
5
3
2
1
The Parts Number
,
value and rated voltage etc. in the Schematic Diagram are for references only.
When replacing the parts
,
refer to the Parts List.
Note :
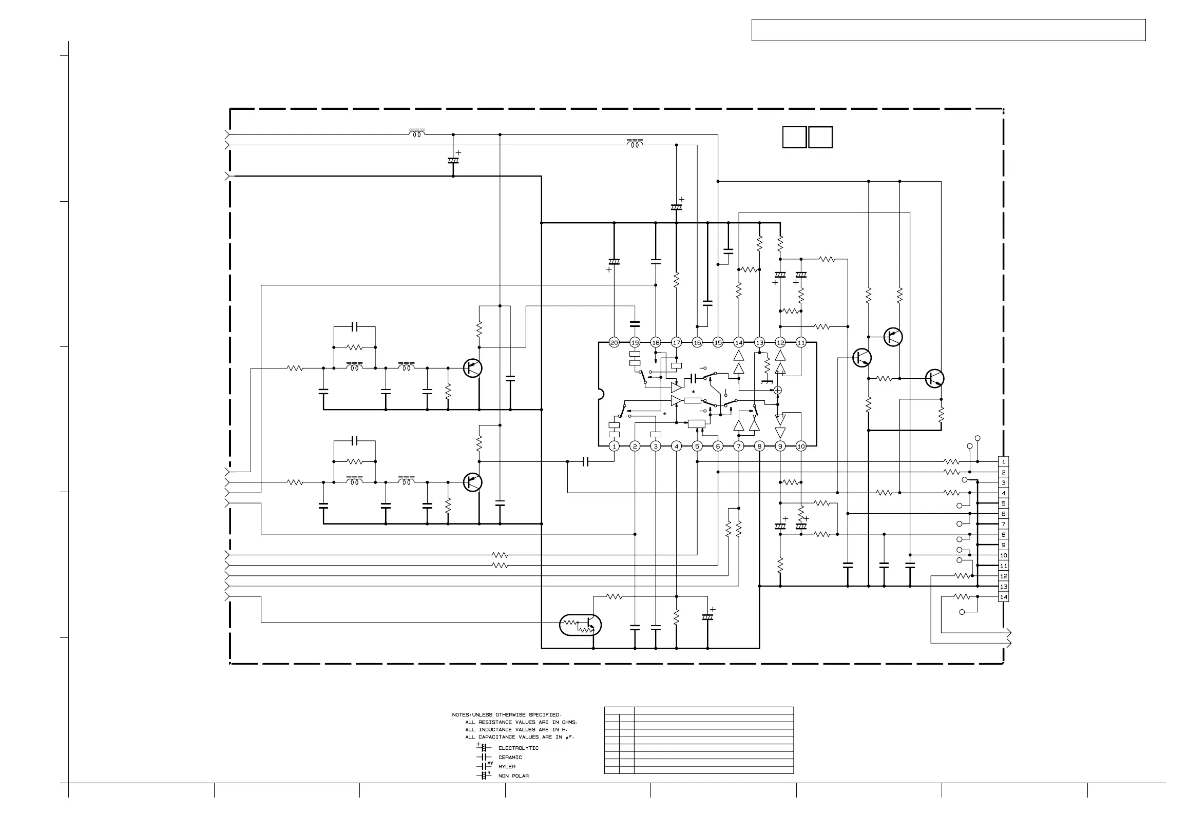
p20248001a_rev0
IC3501
ZP351-3
C_IN
Y_GCTL
FRG
Y/V_IN
C_GCTL
ASPECT2
DV_C
C3523
R3512
IND
C3504
R3509
C3514
C3513
C3511
C3517
R3541
R3542
C3507
R3506
C3509
R3504
R3501
C3503
C3502
C3501
C3515
C3508
R3503
R3543
AGC_RST
R3544
C3505
C3521
C3506
R3508
DV_Y
A_REG_5V
R3531
R3515
Q3503
C3510
R3532
R3545
C3516
R3526
R3528
C3540
C3538C3536
R3505
GND
L3533
C3537
L3534
C3539
R3527
R3529
R3511
R3516
ZP351-2
Q3502
R3507
R3521
R3523
C3535
C3533C3531
L3531
C3532
L3532
C3534
R3522
R3524
R3514
R3513
CN3501
R3533
R3534
ASPECT1
R3510
L3522
REG_3V
L3521
ZP351-1
R3502
Q3501
ZP351-4
ZP351-6
ZP351-10
ZP351-12
ZP351-8
ZP351-14
Q3511
Q3513
Q3512
R3554
R3551
R3552
R3555
R3553
R3556
22
10k
22
0.1
0.1
0.1
100
68
68
22p
68
22p
120
2.2M
0.1
0.1
0.1
22
22p
10k
68
68
100
100
22
68
68
0.1
68
22
680
3.3k
0.1
47p12p
12µ
15p
27µ
39p
4.7k
1k
0
620
3.3k
0.1
47p12p
12µ
15p
27µ
39p
4.7k
1k
20k
10k
120
10µ
10µ
10k
0
CLAMP
CHA BLK
GND
VCC1VCC2CLAMP
Ref.
NJM2538V-X
/6.3
/6.3
OPEN
/6.3
/6.3
/6.3
/6.3
/6.3
OPEN
2SA1576A/RS/-X
OPEN
/6.3
CHCH
OPEN
NQL024J-120X
CH
NQL024J-270X
CH
OPEN
2SA1576A/RS/-X
OPEN
CHCH
NQL024J-120X
CH
NQL024J-270X
CH
OPEN
OPEN
CHARA
BLANK
GND
GND
GND
GND
GND
GND
PF_Y_OUT
D_V_OUT
D_Y_OUT
D_C_OUT
D_C_IN
D_Y/V_IN
QGF1211F1-14X
NQL144K-100X
NQL144K-100X
DTC144EE-X
2SC4081/RS/-X
2SC4081/RS/-X
2SA1576A/RS/-X
OPEN
OPEN
OPEN
OPEN
OPEN
[POST FILTER]
[POST FILTER]
DV MSD
TO DV I/O
TO
[VIDEO_AMP]
TO DV I/O
5
Buf.
Buf.
Buf.
Comp.
+12dB
75
75
75
+12dB
+18dB
PWR
6dB
220k
-6dB
AT T
AT T
AT TAT T
LPF
BPF
CLAMP
LOGIC
SAVE
GCA
GCA
-12dB
-12dB
-12dB
-12dB
6 3dB
6 3dB
MAIN (VIDEO I/O)
REG
0 V OUT
[POST FILTER]
TO
TO
[POST FILTER]
LAST NO VACANT NO
R
C
D
Q
L
4.17 DV V OUT SCHEMATIC DIAGRAM

Table of Contents

Related product manuals