EasyManua.ls Logo

JVC KD-AR5500

JVC KD-AR5500
79 pages
To Next Page IconTo Next Page
To Next Page IconTo Next Page
To Previous Page IconTo Previous Page
To Previous Page IconTo Previous Page
Loading...
2-7
IC402
R4003
C4007
D4001
X4001C4004
C4005
R4020
R4013
R4014
R4016
R4019
R4015
R4017
R4018
R4067
R4023
IC401
C4006
C4001
R4021
L4001
C4002
R4026
R4030
R4027
R4032
R4031
MSM6650G3-
B
0
0.047
1SS355-X
QAX0763-001Z
39p
39p
1k
1k
56k
1k
0
1k
0.047
100/6.3
100k
47
0.027
1k
1k
A20
A19
A18
A8
A7
A6
A5
A4
A3
A2
OCE
D0
D1
D2
D3
A17
D7
D6
D5
D4
A0
A1
A16
A15
A14
A13
A12
A11
A10
A9
A20
A19
A18
A17
A16
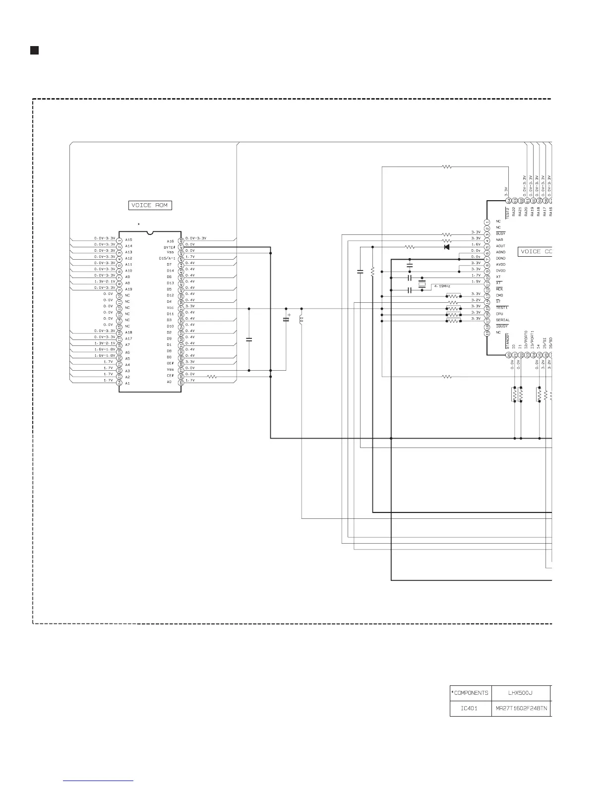
Voice control section

Other manuals for JVC KD-AR5500

Related product manuals