EasyManua.ls Logo

JVC KD-DV7302 - Compatible Disc Types

JVC KD-DV7302
6 pages
To Previous Page IconTo Previous Page
To Previous Page IconTo Previous Page
Loading...
6
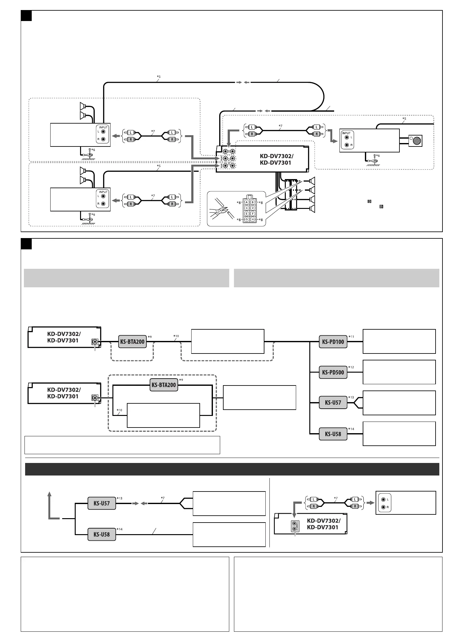
Connecting the external amplifiers and subwoofer / Connexion d’amplificateurs extérieurs et d’un caisson de grave
You can connect amplifiers to upgrade your car stereo system.
Connect the remote lead (blue with white stripe) to the remote lead of the other equipment so that it
can be controlled through this unit.
Disconnect the speakers from this unit, connect them to the amplifier. Leave the speaker
leads of this unit unused.
Vous pouvez connecter des amplificateurs pour améliorer votre système stéréo.
Connectez le fil de commande à distance (bleu avec bande blanche) au fil de commande à distance de
l’autre appareil de façon qu’il puisse être commandé via cet appareil.
Déconnectez les enceintes de cet appareil et connectez-les à l’amplificateur. Laissez les fils
d’enceintes de cet appareil inutilisés.
Rear speakers
Enceintes arrière
JVC Amplifier
JVC Amplificateur
Rear speakers
Enceintes arrière
To the remote lead of other equipment or power aerial if any
Au fil de télécommande de l’autre appareil ou à l’antenne
automatique s’il y en a une
Y-connector (not supplied for this unit)
Connecteur Y (non fourni avec cet appareil)
Remote lead (blue with white stripe)
Fil d’alimentation à distance (bleu avec bande blanche)
Front speakers (see diagram )
Enceintes avant (voir le diagramme )
G
Other external component / Autre appareil extérieur
Connecting the external components / Connexion des appareils extérieurs
H
Apple iPod
iPod Apple
JVC D. player
Lecteur D. JVC
JVC CD changer
Changeur CD JVC
Vous pouvez connecter des appareils extérieurs en série comme montré sur l’illustration ci-dessous.
Tous les composants, adaptateurs ou cordons de signaux doivent être achetés séparément.
PRECAUTION:
Avant de connecter les appareils extérieurs, assurez-vous que l’appareil est hors tension.
Pour utiliser un changeur de CD JVC, un iPod Apple ou un lecteur D. JVC, réglez l’entrée extérieure sur
“CHANGER” (voir page 45 du MANUEL D’INSTRUCTIONS).
Pour utiliser d’autres appareils extérieur via le KS-U57 ou KS-U58, réglez l’entrée extérieure sur
“EXT IN” (voir page 45 du MANUEL d’INSTRUCTIONS).
JVC DAB tuner
Tuner DAB JVC
or / ou
CD changer jack
Prise du changeur de CD
3.5 mm stereo mini plug
Mini fiche stéréo de 3,5 mm
External component
Appareil extérieur
or / ou
or / ou
External component
Appareil extérieur
*
5
Remote lead
*
6
Firmly attach the ground wire to the metallic body or to the chassis of the car—to the place uncoated with
paint (if coated with paint, remove the paint before attaching the wire). Failure to do so may cause damage to
the unit.
*
7
Signal cord (not supplied for this unit)
*
8
Cut the rear speaker leads of the car’s ISO connector and connect them to the amplifier.
*
9
JVC Bluetooth adapter
*
10
Connecting cord supplied for your CD changer or DAB tuner
*
11
Interface adapter for iPod
*
12
D. player interface adapter
*
13
Line Input Adapter
*
14
AUX Input Adapter
*
5
Fil d’alimentation à distance
*
6
Attachez solidement le fil de mise à la masse au châssis métallique de la voiture—à un endroit qui n’est pas
recouvert de peinture (s’il est recouvert de peinture, enlevez d’abord la peinture avant d’attacher le fil). L’appareil
peut être endommagé si cela n’est pas fait correctement.
*
7
Cordon de signal (non fourni avec cet appareil)
*
8
Coupez les fils des enceintes arrière du connecteur ISO de la voiture et connectez-les à l’amplificateur.
*
9
Adaptateur Bluetooth JVC
*
10
Cordon de connexion fourni avec votre changeur CD ou tuner DAB
*
11
Adaptateur d’interface pour iPod
*
12
Adaptateur d’interface pour lecteur D.
*
13
Adaptateur d’entrée de ligne
*
14
Adaptateur d’entrée auxiliaire
Subwoofer
Caisson de grave
JVC Amplifier
JVC Amplificateur
JVC Amplifier
JVC Amplificateur
Front speakers
Enceintes avant
You can connect external components in series as shown in the diagram below.
All the components, adapters, or signal cords need to be purchased separately.
CAUTION:
Before connecting the external components, make sure that the unit is turned off.
To use JVC CD changer, Apple iPod or JVC D. player, set the external input setting to “CHANGER”
(see page 45 of the INSTRUCTIONS).
To use other external components via KS-U57 or KS-U58, set the external input setting to “EXT IN”
(see page 45 of the INSTRUCTIONS).
CD changer jack
Prise du changeur de CD
External component
Appareil extérieur
External component
Appareil extérieur
or / ou
or / ou
JVC DAB tuner
Tuner DAB JVC
External component
Appareil extérieur
To KS-BTA200, JVC DAB tuner, or KD-DV7302/KD-DV7301
Au KS-BTA200, tuner DAB JVC ou KD-DV7302/KD-DV7301
iPod is a trademark of Apple Inc., registered in the U.S. and other countries.
iPod est une marque de commerce d’Apple Inc., enregistrée aux États-Unis et dans les autres pays.
LINE IN terminals
Prises LINE IN
Install4-6_DV7302_007A_f.indd 6Install4-6_DV7302_007A_f.indd 6 1/31/07 4:39:32 PM1/31/07 4:39:32 PM

Other manuals for JVC KD-DV7302

Related product manuals