EasyManua.ls Logo

JVC KD-G120R - Page 5

JVC KD-G120R
14 pages
Print Icon
To Next Page IconTo Next Page
To Next Page IconTo Next Page
To Previous Page IconTo Previous Page
To Previous Page IconTo Previous Page
Loading...
2-3
SHEET 2
Parts are safety assurance parts.
When replacing those parts make
sure to use the specified one.
IC541
C252
R152
R560
C253
L501
R151
C255
R526
RF
X561
R251
R153
ARF
C552
C540
IC151
L562
IC561
C527
C526
R525
R550
C516
C506
R524
R512
Q541
R513
Q501
C520
C519
R557
R596
C523
C522
C541
C521
IC501
FE
TE
R509
C563
C515
C551
R573
C573
D551
C570
C155
C574
R253
R252
R154
R156
R256
R254
C153
R518
C528
R507
C545
C546
R558
C547
C553
CN501
C152
C543
R503
R569
R580
R581
R516
C513
R577
R552
C504
L561
R553
R570
R554
R551
C251
R576
R504
R502
R501
C151
C579
C576
C555
C505
C507
C511
C509
C510
C514
C518
R511
R510
R508
R505
R506
C529
C501
C564
C565
C568
C566
C556
C571
C557
R575
C558
R571
R574
C256
C572
C567
C577
R559
C561
C524
C525
C559
R540
C560
C502
R568
R567
R564
R563
R562
R561
C562
R541
R542
R544
R546
R545
R547
R543
R548
C542
LA6242H-X
2.2/50
5.6k
100
150p
4.7U
15k
QTE0J57-476Z
12
TP
QAX0714-001Z
15k
22k
TP
0.01
68p
NJM4565E-X
4.7U
MN6627482WA
0.022
TP
3p
1.5k
12k
100/10
68p
3.3k
47k
2SA2093/QR/-T
47k
2SA2093/QR/-T
39p
0.047
150
8.2k
0.022
0.022
47/6.3
270p
AN22002A-W
TP
TP
36K
470p
0.1
220/10
120k
220/10
1A3G-T1
0.01
QTE0J57-476Z
0.01
22k
5.6k
22k
22k
22k
22k
150p
1M
0.1
1k
0.01
47/10
10k
0.022
QGB2027M4-22S
2.2/50
0.033
39K
1k
220k
0
62K
150p
100k
18k
100/10
4.7U
0
1k
51k
2k
0.001
0
3.9k
22
22
0.001
0.001
100p
0.047
0.1
0.33
0.0027
0.039
0.0027
0.056
0.047
220k
82k
270k
220k
56k
0.0012
0.1
0.022
0.1
0.1
0.1
0.047
0.1
0.047
220
0.047
100k
470
QTE1A57-107Z
100/10
100/10
0.1
3.3k
0.1
0.033
0.033
68p
330
4.7/25
10/16
1k
1k
1k
1k
1k
1k
0.33
6.8k
560
1.5k
15k
2k
270k
47k
5.6k
0.0033
CD8V
FEED-
ARF
MD
CD.RCH
FEED+
VF1
9V
SW1
FEED-
PSW
GND
VR
LD
SW2
VF1
SPINDLE+
GND
VF2
SPINDLE-
TRACKING+
FOCUS+
FEED+
GND
FOCUS-
PSW
VT2
VF2
GND
VCC
SW1
VT2
SW2
VT1
PSW
VF1
SPINDLE-
VT1
VR
TLOCK
VF2
SPINDLE+
SW1
LD
VREF
FOCUS-
OFTR
MD
FOCUS+
TRACKING-
TRACKING+
FEED-
FEED+
SPINDLE+
SW1
SPINDLE-
SW2
FOD
PSW
LD
TRD
KICK
ECS
ECM
TVD
TRV
FBAL
TBAL
MD
VCC
FE
TE
RFENV
VDET
TRACKING-
TRACKING+
FOCUS+
CD.LCH
TRACKING-
FOCUS-
LD
RFDET
BDO
LDON
VT2
VT1
GND
SQCK
SW2
MSW
LM
MCLK
VREF
CD.RESET
STATUS
SUBQ
Vcc
MDATA
FLOCK
CD.SENSE
MLD
MD
VR
VF1
VREF
VT1
GND
VT2
VF2
CD.SENSE
LM
MCLK
TVD
CD.RESET
TRV
TRD
TBAL
KICK
ECS
FOD
ECM
STATUS
SUBQ
SQCK
MLD
MDATA
TLOCK
MSW
FBAL
TRACKING+
FE
LDON
TRACKING-
FOCUS-
FOCUS+
RFENV
SPINDLE-
SPINDLE+
FEED-
FEED+
TE
FLOCK
VDET
RFDET
BDO
OFTR
ARF
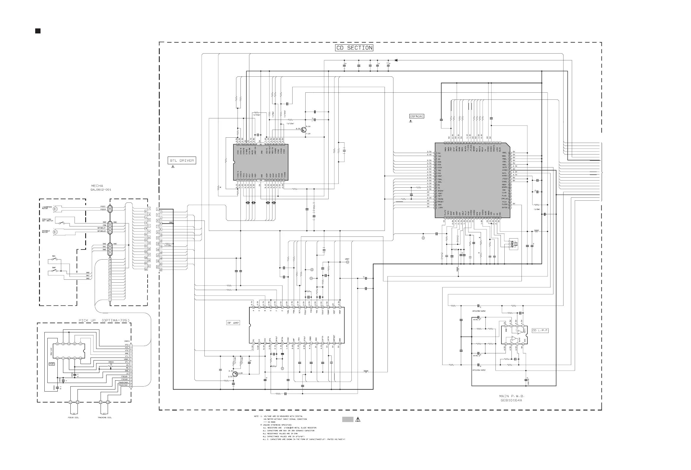
TO SHEET 1
CD servo control section

Other manuals for JVC KD-G120R

Related product manuals