EasyManua.ls Logo

JVC KD-G126 - Page 32

JVC KD-G126
63 pages
To Next Page IconTo Next Page
To Next Page IconTo Next Page
To Previous Page IconTo Previous Page
To Previous Page IconTo Previous Page
Loading...
2-5
IC541
R526
RF
C540
C527
C526
R525
R550
C506
R524
R512
Q541
R513
Q501
C520
C519
R557
R596
C523
C522
C541
C521
IC501
FE
TE
R509
C545
R558
C553
CN501
C543
R503
R516
C513
R552
C504
R553
R554
R551
R504
R502
R501
C555
C505
C507
C511
C509
C510
C514
C518
R511
R510
R508
R505
R506
C529
C501
C556
C557
C558
R559
C524
C525
C559
R540
C560
C502
R541
R542
R544
R546
R545
R547
R543
R548
C542
LA6242H-X
12
TP
68p
0.022
3p
1.5k
12k
68p
3.3k
47k
2SA2093/QR/-T
47k
2SA2093/QR/-T
39p
0.047
150
8.2k
0.022
0.022
47/6.3
270p
AN22002A-W
TP
TP
36K
0.01
10k
QGB2027M4-22S
0.033
39K
62K
150p
18k
100/10
0
51k
2k
3.9k
22
22
0.047
0.1
0.33
0.0027
0.039
0.0027
0.056
0.047
220k
82k
270k
220k
56k
0.0012
0.1
0.047
0.047
0.047
3.3k
0.033
0.033
68
330
4.7/25
10/16
6.8k
560
1.5k
15k
2k
270k
47k
5.6k
0.0033
FEED-
MD
FEED+
VF1
SW1
FEED-
PSW
VR
LD
SW2
VF1
SPINDLE+
GND
VF2
SPINDLE-
TRACKING+
FOCUS+
FEED+
FOCUS-
VT2
VF2
GND
VCC
SW1
VT2
SW2
VT1
PSW
VF1
SPINDLE-
VT1
VR
VF2
SPINDLE+
LD
VREF
FOCUS-
MD
FOCUS+
TRACKING-
TRACKING+
FEED-
FEED+
SPINDLE+
SW1
SPINDLE-
SW2
PSW
LD
MD
VCC
TRACKING-
TRACKING+
FOCUS+
TRACKING-
FOCUS-
LD
VT2
VT1
GND
VREF
Vcc
MD
VR
VF1
VREF
VT1
GND
VT2
VF2
LM
TVD
TRV
TRD
TBAL
KICK
ECS
FOD
ECM
MSW
FBAL
TRACKING+
FE
LDON
TRACKING-
FOCUS-
FOCUS+
RFENV
SPINDLE-
SPINDLE+
FEED-
FEED+
TE
VDET
RFDET
BDO
OFTR
ARF
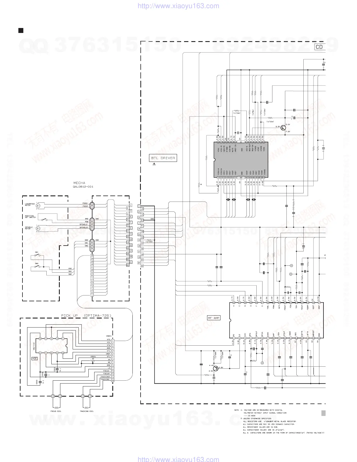
CD servo control section
w
w
w
.
x
i
a
o
y
u
1
6
3
.
c
o
m
Q
Q
3
7
6
3
1
5
1
5
0
9
9
2
8
9
4
2
9
8
T
E
L
1
3
9
4
2
2
9
6
5
1
3
9
9
2
8
9
4
2
9
8
0
5
1
5
1
3
6
7
3
Q
Q
TEL 13942296513 QQ 376315150 892498299
TEL 13942296513 QQ 376315150 892498299
http://www.xiaoyu163.com
http://www.xiaoyu163.com

Other manuals for JVC KD-G126

Related product manuals