EasyManua.ls Logo

JVC KD-G321 - Getting Started; Basic Unit Operations; Initial Unit Settings

JVC KD-G321
50 pages
Print Icon
To Next Page IconTo Next Page
To Next Page IconTo Next Page
To Previous Page IconTo Previous Page
To Previous Page IconTo Previous Page
Loading...
2-3
SHEET 2
Parts are safety assurance parts.
When replacing those parts make
sure to use the specified one.
R535
X521
ARF
IC521
D501
C534
C529
C530
R529
R528
R527
R526
R525
R530
C544
C543
C546
R558
C542
C541
C540
C539
R531
R532
C532
C531
C525
C526
C528
C524
R540
VREF
R533
R565
R543
R544
R534
R545
R548
R524
R586
R588 R590R584
R589R583
R587
R585
C587
IC981
C588
CN501
R521
R522
R537
C523
C586
C585
IC523
R561
C545
C538
C547
C548
C549
R591
R559
C527
R541
R542
C551
C552
R523
C522
C533
C537
R554
Q521
IC581
C981
R592
R593
C589
R594
C584
C583
C536
C535
R556
C983
C984
C982
R562
C590
C591
C592
10K
QAX0714-001Z
MN6627945EE
1A3G-T1
0.1
8200p
8200p
2.2k
2.2k
2.2k
1K
1K
4.7k
0.082
1000p
220/6.3
82k
0.1
0.015
680p
0.1
4.7k
4.7k
0.33
0.33
0.022
0.022
180P
560P
30K
27k
150
1K
1K
68k
3.3K
3.3K
2.2K
5.6K
27K
0
15k
0
15k 27K
5.6K
150p
NJU7772F15-X
150p
QGB2027M4-22S
1M
220
1.5M
100p
4.7/25
4.7/25
SN74LVC2G07V-X
QGZ2512M1-08
QGZ2512M1-10
1k
0.1
47/6.3
47/6.3
47/6.3
0.1
22k
820
3300p
39K
4.7k
0.1
47/6.3
4.7k
0.22
47/6.3
47/6.3
4.7
2SA1530A/QR/-X
NJM4565E-X
100/6.3
22k
22k
47/6.3
22k
820p
820p
47/6.3
0.1
47K
100/6.3
0.1
0.1
1k
47/6.3
100/16
0.1
GND
FEED-
VF2
FEED+
RFVDD
GND
VT2
SW1
VT1
SW2
VF1
PSW
VR
SPINDLE-
LD
SPINDLE+
FOCUS-
VREF
FOCUS+
MD
TRACKING+
TRACKING-
FEED-
FEED+
SPINDLE+
SW1
SPINDLE-
SW2
PSW
VCC
TRACKING-
TRACKING+
FOCUS+
FOCUS-
LD
GND
MD
VR
VF1
VREF
VT1
GND
VT2
VF2
TO SHEET 1
TO CN503
(SHEET 3)
TO CN502
(SHEET 3)
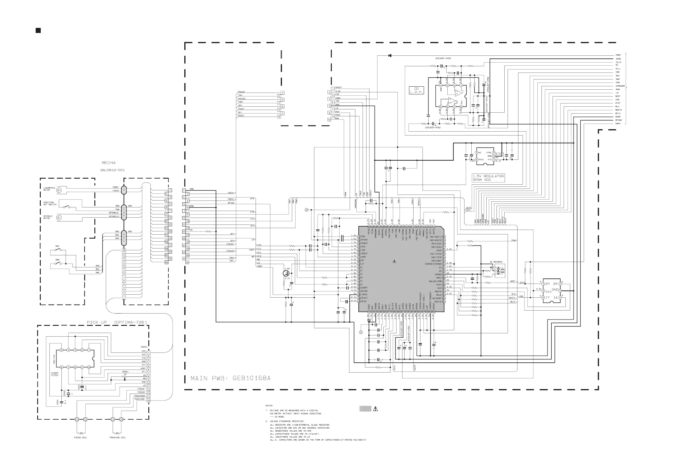
CD servo control section (1/2)

Other manuals for JVC KD-G321

Related product manuals