EasyManua.ls Logo

JVC KD-R691 - Before Using Your Device; Important Usage Guidelines; Safety Warnings and Cautions; Usage Cautions

JVC KD-R691
52 pages
Print Icon
To Next Page IconTo Next Page
To Next Page IconTo Next Page
To Previous Page IconTo Previous Page
To Previous Page IconTo Previous Page
Loading...
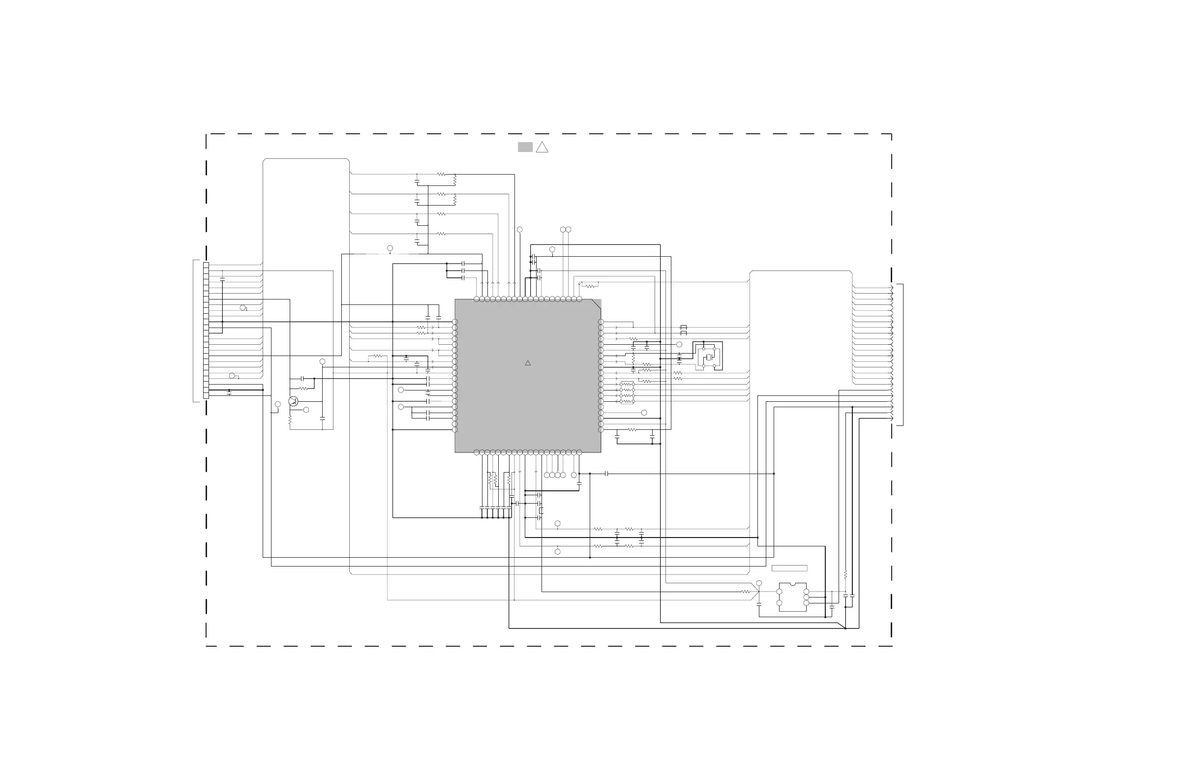
3. DOTTED LINE INDICATED NO MOUNT COMPONENT.
3V
LDO3.3_CD
3.3V
0V
(3.3V)
5.1V
1.6V
3.3V
1.6V
1.4V
UNLESS OTHERWISE SPECIFIED.
CD_GND
0V
2.
1.8V
3.3V
1.6V
0V
0V
2.3V
1.7V
ALL RESISTANCE VALUES ARE IN OHM.
3.2V
MAIN PWB:J7K-0335-**
1.6V
1. VOLTAGES ARE DC-MEASURED WITH A DIGITAL VOLT METER WITHOUT INPUT SIGNAL
1.6V
1.8V
0V
3.3V
1.8V
1.8V
0V
1.2V
1.8V
1.0V
1.8V
0.5V
3.3V
0V
0V
0V
1.2V
0V
0V
AGND
1.6V
1.9V
1.8V
ALL CAPACITORS ARE 50V OR 25V CERAMIC CAPACITOR.
0V
1.5V
ALL RESISTORS ARE 1/10W 5% METAL GLAZE RESISTOR.
0V
3.3V
1.5V
1.8V
1.6V
3.2V
0V
3.3V
0V
3.3V
1.5V
1.6V
1.4V
1.2V
1.5V
1.8V
1.6V
1.5V
0V
0.1V
0.8V
0V
3V
0V
0V
0V
1.5V
3.3V
3.3V
0V
0V
0V
2.0V
0V
STAT
MGND
MGND
MGND
CD3.3
MD
LD
CD8V
CD8V
CD8V
M_SRDATA_CD
MD
VT2
CD.L
VF1
CD_SRDATA_M
DRV_MUTE
DRV_LO_EJ
FOD
DRV_CNT
SPL
TRD VF2
BLKCK
DRV_LO_EJ
PSW
TVD
TVD
SPL
BLKCK
TRD
DRV_CNT
SW1
CD.L
MDATA
FOD
BCLK
STAT
VT1
BCLK
SW2
CD.R
MLD
DCDC5V
CD_SRDATA_M
DRV_MUTE
M_SRDATA_CD
NRST
MCLK
MDATA
VREF
LRCK
VF1
NRST
VF2
MCLK
VT2
LRCK
PSW
PON_CD
SW1
MLD
SW2
CD.R
VT1
!
sure to use the specified one.
When replacing those parts make
Parts are safety assurance parts.!
TL205
(PWM)
TL183
(CD3V3)
TL182
TL36
TL206
(CD.L)
TL195
TL200 TL201TL211
TL202
TL302
(IOP+)
TL197
TL301
TL300
(CD.R)
TL196
TL210
(IOP-)
TL199
TL209
TL208
TL204
TL203
TL198
1/16W
470
RA580
1/4W
10
R940
5.6k
R543
820
R558
100
R567
82k
R562
R565
1k
R572
10k
R546
10k
R571
R568
1k
R569
1/4W
4.7
R557
0
L574
100
R570
22
R587
2.2k
R550
4.7k
R556
820
R589
820
R590
1M
R573
5.6k
R541
2.7k
R559
2.2M
R554
22k
R542
2.2k
R580
2.2k
R579
2.2k
R551
18k
R544
12k
R548
2SA2188/E/-X
Q540
NQR0286-002X
L777
NQR0713-001X
L540
NQR0286-002X
L778
DQSY 80
GIO2 79
GIO1 78
GIO0 77
NSRVMONON 76
IOVDD2 75
X1 74
X2 73
DVSS2 72
NRST 71
BLKCK 70
STAT 69
MLD 68
MDATA 67
MCLK 66
TX 65
FLAG 64
TEST 63
NTEST2 62
DVDD2 61
CSEL
60
EXT0
59
EXT1
58
EXT2
57
EXT3
56
EXT4
55
LSPWM
54
AVDD1
53
OUTR
52
NC_51
51
AVSS1
50
OUTL
49
RFVDD2
48
VCOF
47
PLLFO2
46
PLLFO
45
PLLF
44
IREF
43
DSLF
42
NC_41
41
RFVSS240
NC_3939
ARFIN38
ARFFB37
ARFOUT36
ARFDC35
RFIN34
RFOUT33
RFENV32
CENV31
RFVDD130
LD29
PD28
A27
C26
B25
D24
F23
E22
RFVSS121
CTRCRS
20
VREF
19
OSCIN
18
FOP
17
TRP
16
TRVP2
15
TRVP
14
SPOUT
13
PC
12
FG
11
DVSS1
10
DVDD1
9
IOVDD1
8
NC_7
7
NC_6
6
NC_5
5
SRVMON1
4
SRVMON0
3
PMCK
2
SMCK
1
MN6627553APA
IC540
VOUT
5
NC
4
STBY
3
GND
2
VIN
1
BU33TD3WG
IC941
T24 24
T23 23
T22 22
T21 21
T20 20
T19 19
T18 18
T17 17
T16 16
T15 15
T14 14
T13 13
T12 12
T11 11
T10 10
T9 9
T8 8
T7 7
T6 6
T5 5
T4 4
T3 3
T2 2
T1 1
CN502
QGF1040F1-24
0.1u
C579
C543
C541
C582
0.1u
C576
0.1u
C559
C542
C585
3300p
C556
0.1u
C571
0.1u
C553
C2013
C586
C580
0.1u
C563
0.15u
C550
1u
C941
C575
0.082u
C565
C573
4.7u
C558
C574
C2030
C554
4.7u
C548
10u
C561
10p
C577
10p
C578
0.1u
C570
0.33u
C568
0.1u
C549
0.1u
C540
6800p
C547
6800p
C546
6800p
C552
C551
680p
C560
0.015u
C562
1000p
C564
1000p
C567
10u
C572
10u
C942
820p
C584
820p
C583
680p
C589
680p
C588
0.01u
C545
0.01u
C544
4700p
C2028
0.01
C2029
0.33u
C557
0.022u
C555
470p
C943
10u
C940
16.9344MHz
L7J-0143-00
X540
MAIN PWB ASSY(2/2) (XJ1-217x-0x)
When replacing the parts, refer to the Parts List.
Note : The Parts Number, value and rated voltage etc. in the Schematic Diagram are for references only.
(XJ1-217x-0x)
To MAIN PWB ASSY(1/2)
CN1
(XJD-0010-00)
To CD MECHA PWB ASSY
on model. Refer to the parts list for details.
The parts of the symbols with " * " may vary depending
NOTE:
CN1
(LVA20106-01A)
To CD MECHA PWB ASSY
created date:2017-09-25No.MA665
(No.MA665<Rev.001>)6/
19

Other manuals for JVC KD-R691

Related product manuals