EasyManua.ls Logo

JVC KD-S12 - Page 50

JVC KD-S12
57 pages
Print Icon
To Next Page IconTo Next Page
To Next Page IconTo Next Page
To Previous Page IconTo Previous Page
To Previous Page IconTo Previous Page
Loading...
3-6
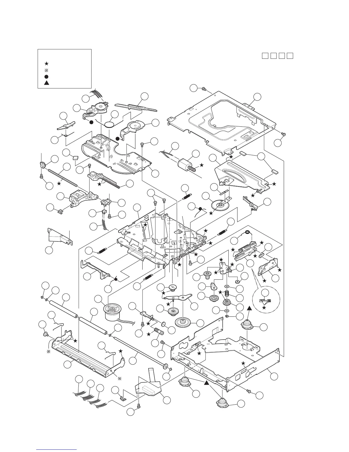
CD mechanism assembly and parts list
Grease
TNG-87
GP-501MK
CFD-005Z
GP-305T
Block No.
M
M
M
B
A
A
C
C
D
D
B
a
a
B
TN-2001-1011
The parts without symbol number are not service.
111
2
111
37
27
32
23
13
15
99
28
98
83
12
86
121
16
17
124
4
125
1
111
3
3
71
111
93
111
91
92
113
88
89
82
87
20
18
115
90
32
30
38
114
11
85
25
73
111
33
34
74
72
35
26
31
22
36
116
29
112
19
61
24
112
62
21
38
76
95
96
14
97
100
123
81
94
77
75
74
73
84
94
101
100
122
93
75
83

Other manuals for JVC KD-S12

Related product manuals