EasyManua.ls Logo

JVC KD-S33

JVC KD-S33
4 pages
To Previous Page IconTo Previous Page
To Previous Page IconTo Previous Page
Loading...
4
Púrpura
Altavoz delantero
(izquierdo)
Al conductor remoto de otro equipo o
de la antena automática, si hubiere
(máx. 200 mA)
Azul con rayas
blancas
Rojo
A un terminal accesorio del
bloque de fusibles
A un terminal activo del
bloque de fusibles conectado
a la batería del automóvil
(desviando el interruptor de
encendido) (12 V constantes)
Amarillo *
2
A un cuerpo metálico o
chasis del automóvil
Negro
Interruptor de
encendido
*
1
No suministrado con esta unidad.
*
2
Antes de comprobar el funcionamiento de esta unidad
previa a de la instalación, es necesario conectar este cable,
de lo contrario no se podrá conectar la alimentación.
*
3
Fije fi rmemente el cable de tierra a la carrocería metálica
o al chasis—a un lugar no cubierto con pintura (si está
cubierto con pintura, quítela antes de fi jar el cable). De lo
contrario, se podrían producir daños en la unidad.
*
4
Cable de señal (no suministrado con esta unidad).
Fusible de 15 A
Bloque de
fusibles
Altavoz trasero
(izquierdo)
Altavoz trasero (derecho)
Altavoz delantero
(derecho)
Blanco con rayas negras
Salida de línea
Terminal de tierra posterior
Terminal de
la antena
Ajuste “L/O MODE” a “WOOFER”
(Consulte la página 14 del MANUAL DE
INSTRUCCIONES.)
Altavoces
traseros
Cable remoto
Cable remoto (azul con rayas blancas)
Al conductor remoto de otro equipo o de
la antena automática, si hubiere
Conector en Y *
1
Altavoces delanteros
Subwoofer
Ajuste “L/O MODE” a “REAR”
(Consulte la página 14 del MANUAL DE
INSTRUCCIONES.)
Gris con rayas negras
Verde
Gris
Verde con rayas negras
Púrpura con rayas negras
Blanco
Amplificador
de JVC
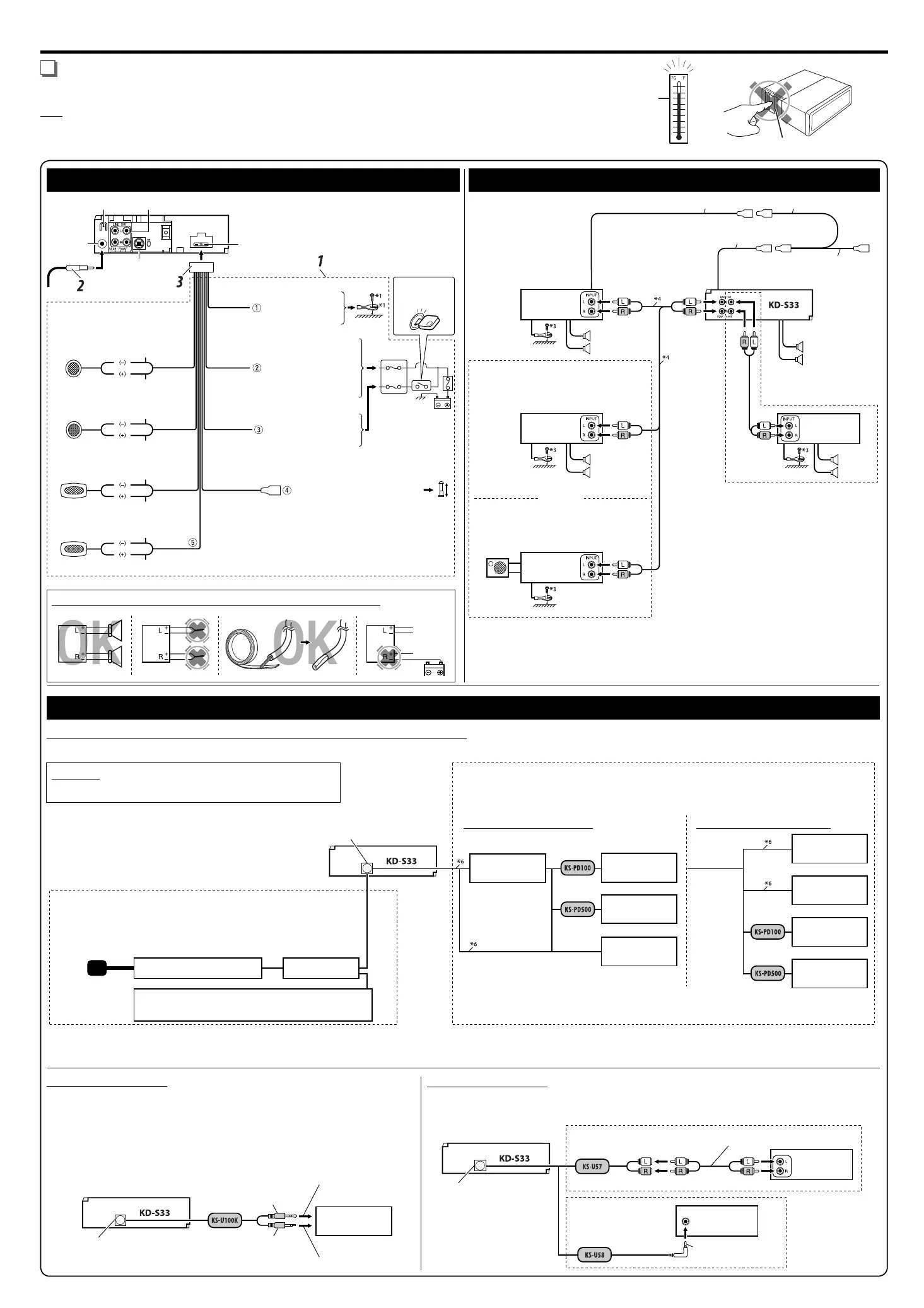
CONEXIONES ELECTRICAS
Conexiones tipicas Conexión de los amplificadores y/o subwoofer externos
Asegúrese de desconectar el terminal negativo de la batería.
Asegúrese de volver a conectar a masa esta unidad al chasis del automóvil después de la instalación.
Nota:
Se recomienda conectar los altavoces con una potencia máxima de más de 50 W (tanto atrás como adelante, con una impedancia de 4 Ω a 8 Ω). Si la potencia
máxima es de menos de 50 W, cambie “AMP GAIN” para evitar daños en los altavoces (consulte la página 14 del MANUAL DE INSTRUCCIONES).
Sumidero térmico
Alta
Conecte solamente los altavoces
delanteros si su sistema del altavoz es
sistema del dos-altavoz.
PRECAUCIONES sobre las conexiones de la fuente de alimentación y de los altavoces
A los componentes
externos
Altavoces
delanteros
o
Conexión de los componentes externos
(A) Cambiador de CD de JVC, radio satelital SIRIUS, radio satelital XM, iPod® de Apple o reproductor JVC D.
Seleccione “CHANGER” para el ajuste de entrada externa (Consulte la página14 del MANUAL DE INSTRUCCIONES.)
Para escuchar la radio satelital SIRIUS, conecte un DLP (Down Link Processor) de JVC (adquirido por separado) al receptor.
Puede conectar el iPod*
5
o el reproductor D. (adquirido por separado) usando un adaptador de interfaz (no suministrado)
—KS-PD100 (para iPod) o KS-PD500 (para el reproductor D.).
Conexión 1 (conexión integrada)
DLP JVC
Apple iPod
Reproductor D. JVC
Cambiador de CD
de JVC
Conexión 2 (conexión alternativa)
DLP JVC
Cambiador de CD
de JVC
Apple iPod
Reproductor D. JVC
Jack para el cambiador de CD
Para escuchar la radio satelital XM, también puede conectar el Sintonizador universal
XMDirect™ (adquirido por separado) al receptor mediante un adaptador Smart Digital
XMDJVC100 de JVC (no suministrado).
Al cambiador de CD, KS-PD100, o KS-PD500 si está usando la
Conexión 1 (conexión integrada)
Sintonizador universal XMDirect™ XMDJVC100
Antena (suministrada
con el Sintonizador
universal XMDirect
™)
o
o
o
PRECAUCION:
Antes de conectar los componentes externos, asegúrese de que la unidad esté apagada.
*
5
iPod es una marca comercial de Apple Computer, Inc., registrada en los EE.UU. y otros países.
*
6
Cable de señal suministrado con su cambiador de CD o DLP JVC.
(B) PnP (“Plug and Play”) JVC
Seleccione “EXT IN” para el ajuste de entrada externa (Consulte la página14 del MANUAL DE
INSTRUCCIONES.)
También podrá conectar la PnP JVC a través de este receptor utilizando el adaptador para radio SIRIUS JVC,
KS-U100K (no suministrado).
Al encender/apagar el receptor también se enciende/apaga la PnP JVC.
Miniclavija estéreo
Clavija de alimentación de CC
Al jack DC IN
Al jack para auriculares
Jack para el cambiador de CD
(C) Otro componente externo
También puede conectar un componente externo a través de esta unidad, usando el adaptador de entrada de línea KS-U57 (no
suministrado), o el adaptador de entrada AUX, KS-U58 (no suministrado).
Miniclavija estéreo de
3,5 mm
Cable de señal (no suministrado con esta unidad)
Jack para el cambiador de CD
Componente
exterior
Componente
exterior
PnP JVC
o
o
o
Amplificador
de JVC
Amplificador
de JVC
Altavoces
delanteros
Amplificador
de JVC
Install_SP_KD-S33[J]f.indd 2Install_SP_KD-S33[J]f.indd 2 7/5/06 4:42:09 PM7/5/06 4:42:09 PM

Other manuals for JVC KD-S33

Related product manuals