EasyManua.ls Logo

JVC KD-S895 - Page 28

JVC KD-S895
44 pages
Print Icon
To Next Page IconTo Next Page
To Next Page IconTo Next Page
To Previous Page IconTo Previous Page
To Previous Page IconTo Previous Page
Loading...
KD-S895
1-28 (No.49798)
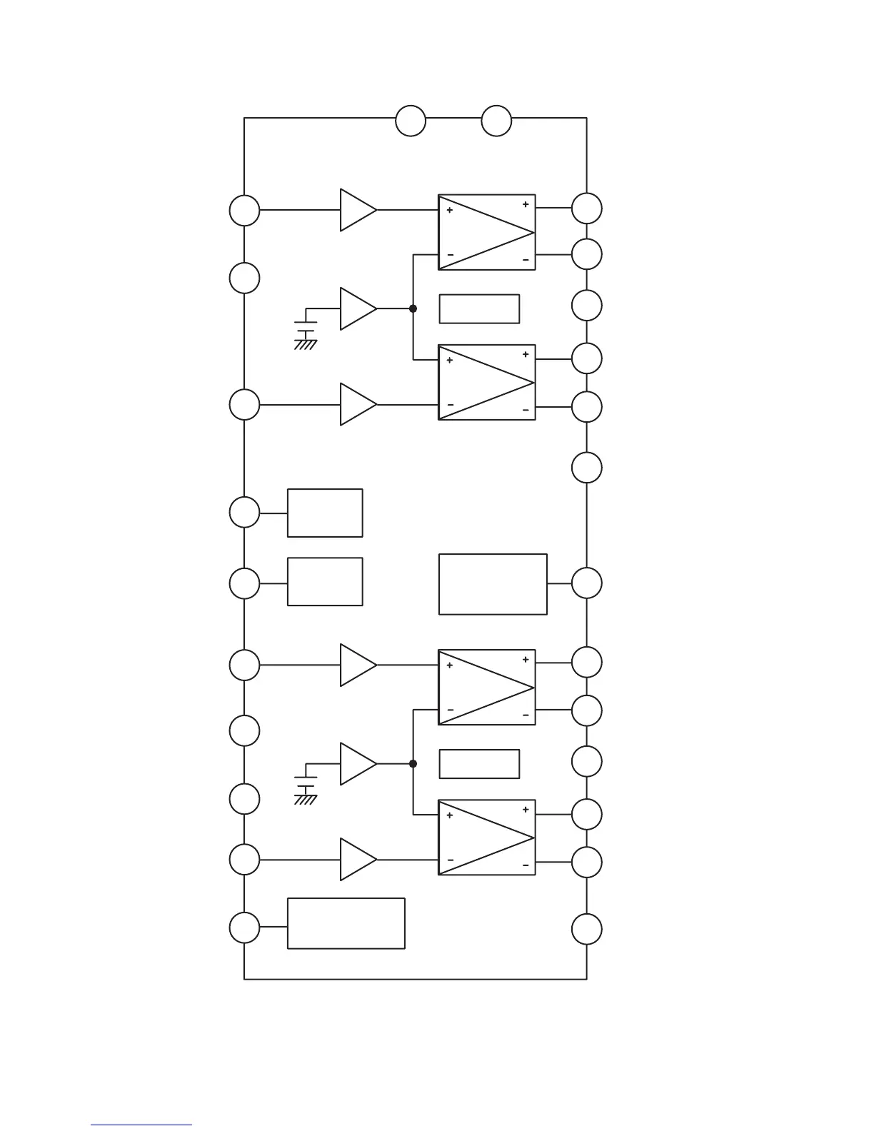
4.2 LA47505 (IC301) : Power amp.
Block diagram
Muting &
On Time Control
Circuit
protective
circuit
Mute
circuit
Protective
circuit
Ripple
Filter
Stand by
Switch
11
16
14
13
25
15
10
4
1
12
22
17
19
18
21
23
24
2
3
5
8
7
9
206

Other manuals for JVC KD-S895

Related product manuals