EasyManua.ls Logo

JVC KS-FX621 - Page 34

JVC KS-FX621
55 pages
Print Icon
To Next Page IconTo Next Page
To Next Page IconTo Next Page
To Previous Page IconTo Previous Page
To Previous Page IconTo Previous Page
Loading...
KS-FX621
3-2
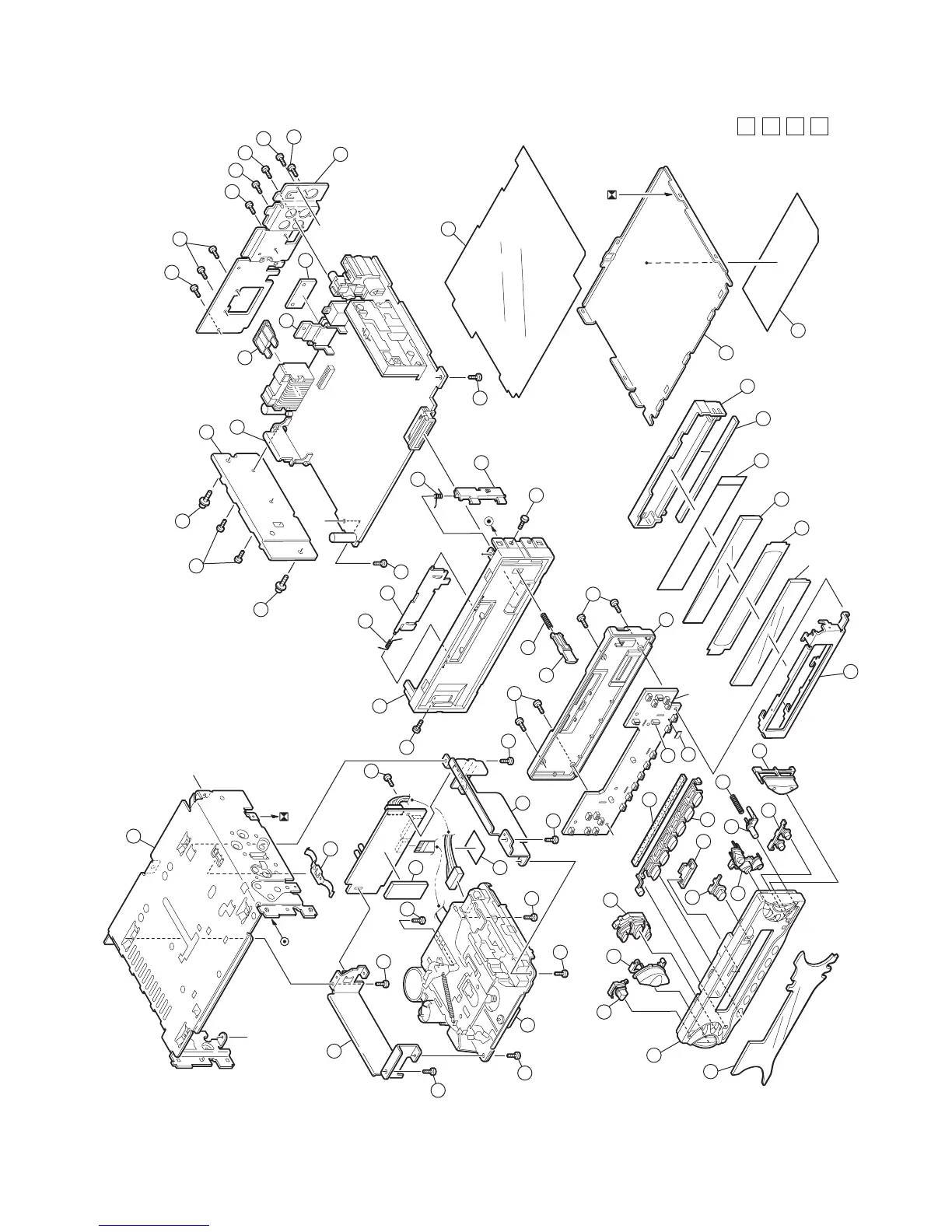
Exploded view of general assmbly and parts list
Block No.
M
M
M
1
A
B
A
Main board
B
Front board
LCD1
6
5
4
5
5
13
1
13
3
5
13
2
8
13
26
27
10
14
17
14
18
20
24
25
18
9
15
15
57
58
52
56
59
60
54
16
16
46
43
49
45
44
47
7
31
34
36
37
38
39
40
28
30
29
33
32
41
22
23
50
42
11
48
53
12
55
42
35
51
19
21

Other manuals for JVC KS-FX621

Related product manuals