EasyManua.ls Logo

JVC LT-42FZD7 - TV Buttons and Functions; On-TV Control Operations

JVC LT-42FZD7
40 pages
Print Icon
To Next Page IconTo Next Page
To Next Page IconTo Next Page
To Previous Page IconTo Previous Page
To Previous Page IconTo Previous Page
Loading...
6
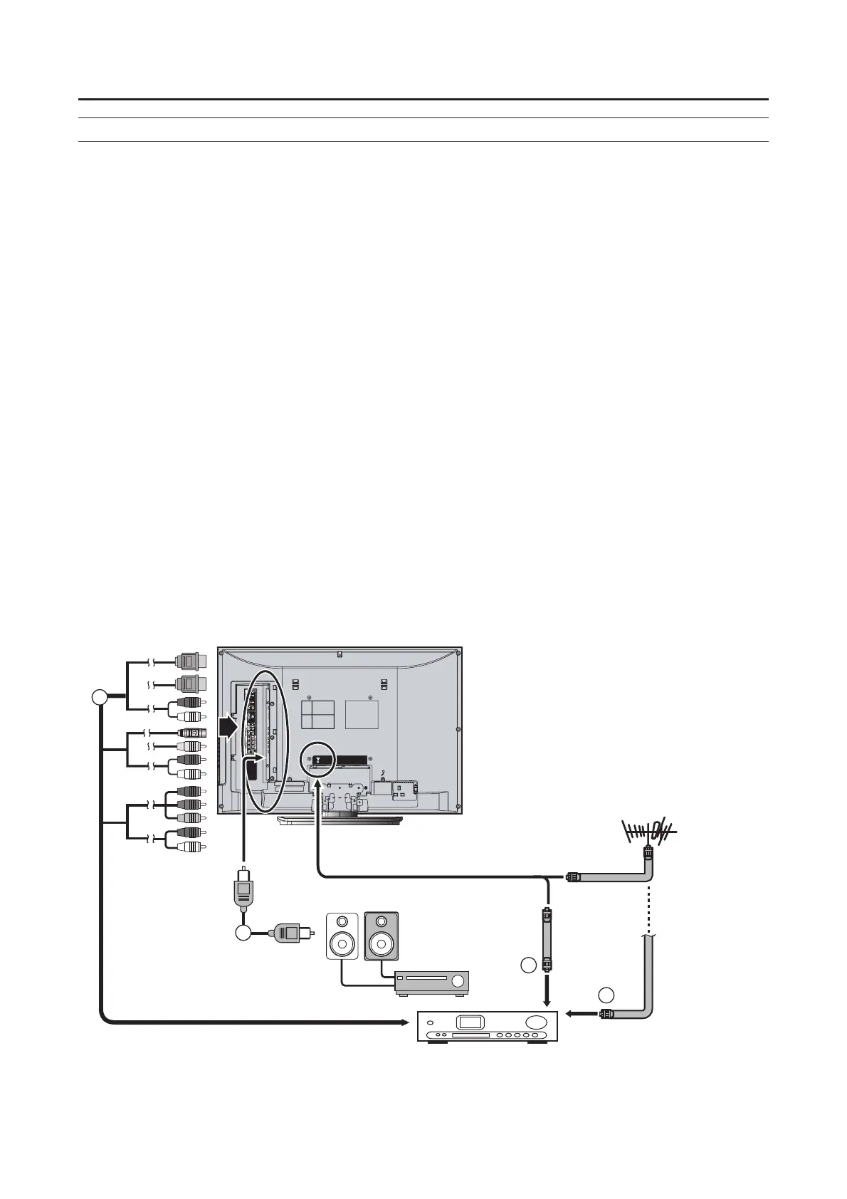
Setting up your TV
Connecting the aerial and VCR
The connecting cables are not provided. Use a good quality of 75-ohm coaxial cable to connect.
Use a fiber connector
Ϥ
D to connect to digital sound equipment (DTV only)
Caution
• Turn off all the equipment including the TV before connecting anything.
Ϯʳ If you connect via a device with an antenna terminal such as a VCR, follow
Ϥ
A
Шʳ
Ϥ
B in the diagram.
Ϯʳ If connecting a VCR:
1 Connect the aerial cable to the aerial input
socket on the VCR, and connect the VCR and
TV with another aerial cable
2 Connect the VCR’s VIDEO OUT (video output)
terminal and the TV’s VIDEO terminal with a
video cable
Ϥ
C
To connect a VCR to the TV with an S-Video cable: Connect
the VCR’s S-VIDEO OUT (S-VIDEO output) terminal and
TV’s S-VIDEO terminal with an S-VIDEO cable, instead of
connecting with a video cable. Note that the connections with
a video cable will be ignored in case you connect a VCR to
the TV with both video cable and S-VIDEO cable.
3 Connect the VCR’s VIDEO OUT (audio L/R
output) terminals and the TV’s AUDIO input
terminals with an audio cable.
• To connect more equipments, please see “Connecting
external equipment” on page 34.
• When receiving Digital terrestrial broadcasting (DVB-T),
reception can suddenly be lost if the signal becomes
weak. Use a correct instilled high performance antenna.
• When connecting via a device with an antenna terminal
such as a VCR, depending on the connection method,
the signal may be weakened. If this happens, use a
booster to increase the signal strength.
• In areas with a lot of radio communication such as near
ports or airports, noise may be introduced into the
picture or sound. In such cases, reception may be
improved by using a high-performance antenna.
• Read the instruction manual of the devices which you
connect to the TV.
L
R
A
B
C
D

Related product manuals