EasyManua.ls Logo

JVC MX-G850V - Page 117

JVC MX-G850V
171 pages
Print Icon
To Next Page IconTo Next Page
To Next Page IconTo Next Page
To Previous Page IconTo Previous Page
To Previous Page IconTo Previous Page
Loading...
MX-G950V/MX-G880V
MX-G850V/MX-G750V
4-6
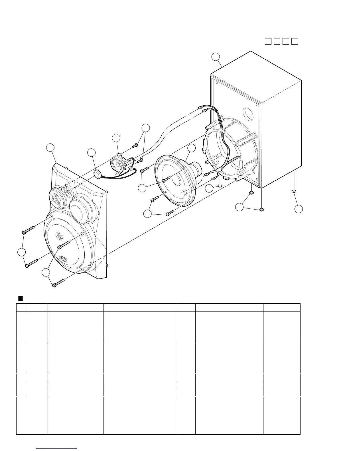
Speaker assembly and parts list
Block No.
M
M
M
7
SP-XG880V
SP-XG850V
Item
Parts number Parts name Area
A
Parts list (Speaker assembly) SP-XG880V/XG850V
Q'ty
Description
Block No. M7MM
A MXG880K-SPBOX-R
SP BOX ASSY(R)
1
SP-XG880V
MXG880K-SPBOX-L
SP BOX ASSY(L)
1
SP-XG880V
MXG850K-SPBOX-R
SP BOX ASSY(R)
1
SP-XG850V
1 199733350159
FRONT PANEL(R)
1
SP-XG880V
199733350151
FRONT PANEL(R)
1
SP-XG850V
199733350152
FRONT PANEL(L)
1
SP-XG850V
199733350158
FRONT PANEL(L)
1
SP-XG880V
2 135604161053
SCREW
8
3 991061650050
16CM WOOFER
2
4 135604161047
SCREW
8
5 993060500031
5CM TWEETER
2
6 135604081045
SCREW
4
7 134720201090
PIEZO ASSY
2
8 147780071049
LEG CUSHION
8
9 ---------------
CABINET ASSY
2
MXG850K-SPBOX-L
SP BOX ASSY(L)
1
SP-XG850V
7
1
4
4
8
8
8
3
9
2
2
5
6

Table of Contents

Related product manuals