EasyManua.ls Logo

JVC UX-V10GN - AN8806 SB-W (IC301) IC Details; AN8806 SB-W Pin Layout; AN8806 SB-W Block Diagram; AN8806 SB-W Pin Function

JVC UX-V10GN
35 pages
Print Icon
To Next Page IconTo Next Page
To Next Page IconTo Next Page
To Previous Page IconTo Previous Page
To Previous Page IconTo Previous Page
Loading...
1-24
UX-V10GN
1.Pin layout
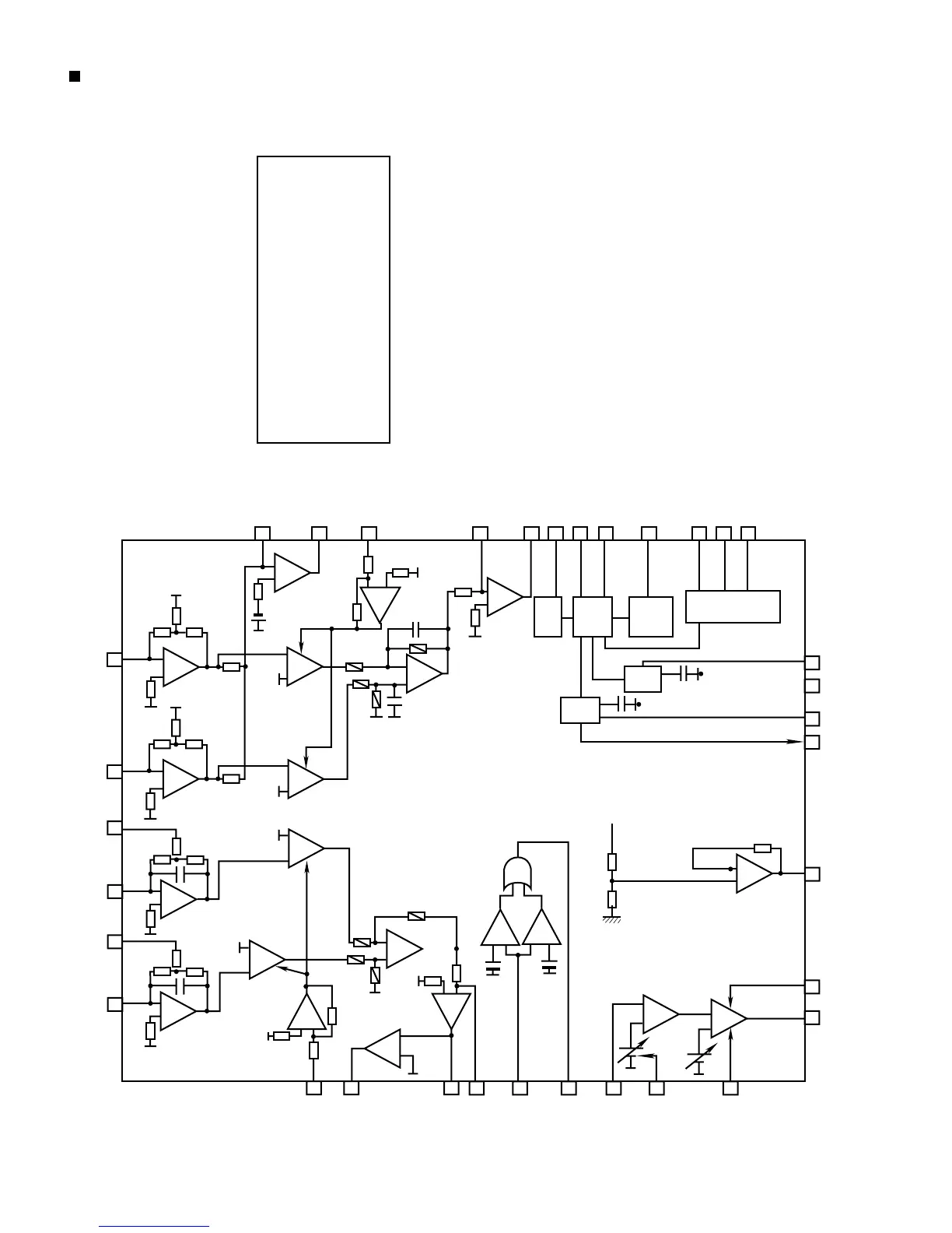
2.Block diagram
AN8806SB-W(IC301) :RF&SERVO AMP
PD 1
LD 2
LDON 3
LDP 4
VCC 5
RF- 6
RF OUT 7
RF IN 8
C.AGC 9
ARF 10
C.ENV 11
C.EA 12
CS BDO 13
BDO 14
CS BRT 15
OFTR 16
/NRFDET 17
GND 18
36 PDAC
35 PDBD
34 PDF
33 PDE
32 PDER
31 PDFR
30 TBAL
29 FBAL
28 EF-
27 EF OUT
26 TE-
25 TE OUT
24 CROSS
23 TE BPF
22 VDET
21 LD OFF
20 VREF
19 ENV
30
24 25
26
23
22
14
3
33
32
34
31
36
35
13
14
15
16
20
2
21
6
29
728
27
8
910 17
11
12 19
ENV CURCUIT
RF
DET
AGC
EQ
BDO
OFTR
-
+
VCBA
VCBA
VCBA
+
-
+
-
-
+
-
+
-
+
-
+
-
+
-
+
-
+
-
+
-
+
- +
-
+
+ -
+
-
- +
- +
VCBA

Related product manuals