EasyManua.ls Logo

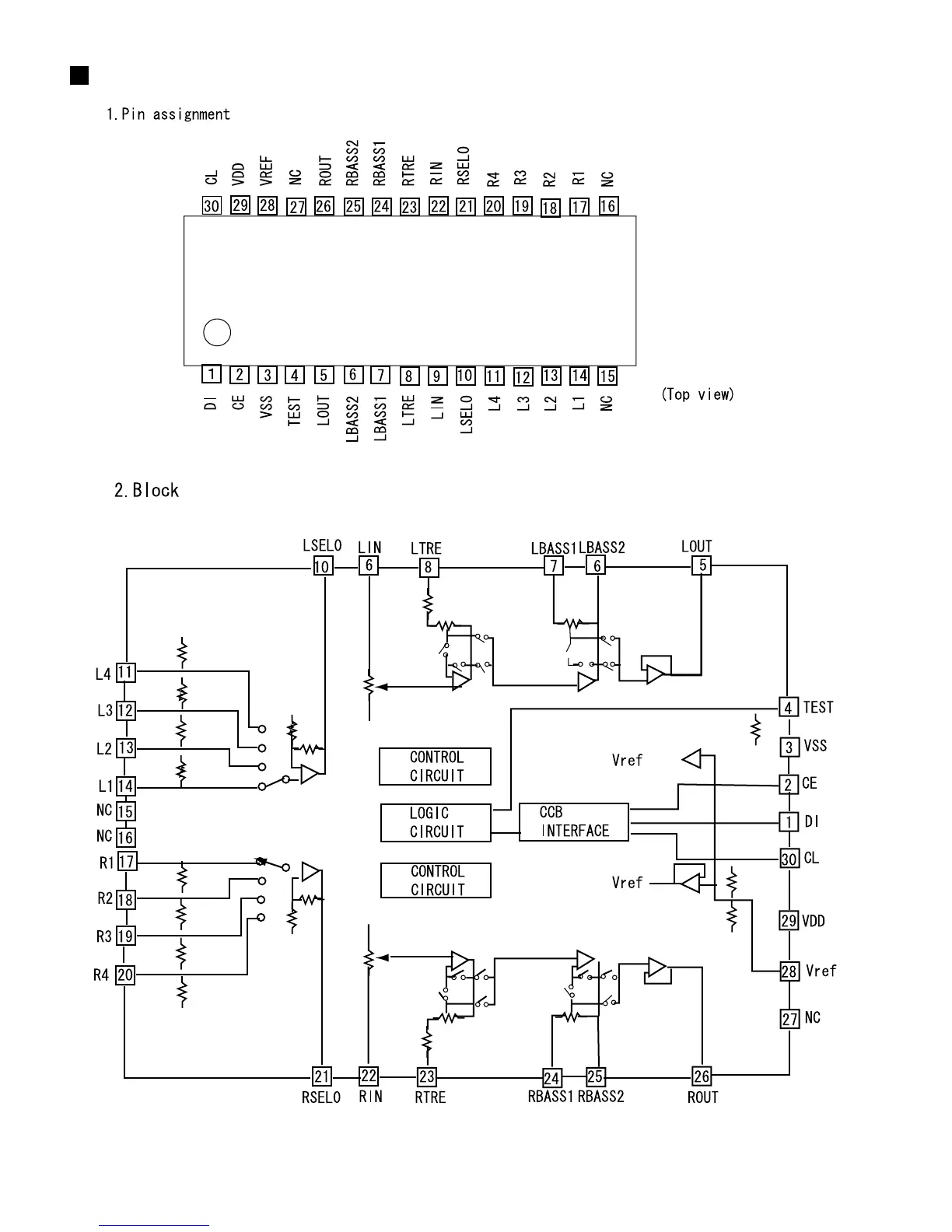
JVC UX-V10GN - LC75342 IC Overview; LC75342 Pin Assignment; LC75342 Block Diagram

JVC UX-V10GN
35 pages
Print Icon
To Next Page IconTo Next Page
To Next Page IconTo Next Page
To Previous Page IconTo Previous Page
To Previous Page IconTo Previous Page
Loading...
1-32
UX-V10GN
LC75342

Related product manuals