EasyManua.ls Logo

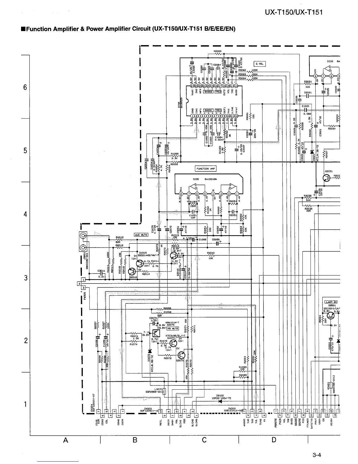
JVC UXT-150 - Function Amplifier and Power Amplifier Circuit (UX-T150;151 B;E;EE;EN)

JVC UXT-150
106 pages
Print Icon
To Next Page IconTo Next Page
To Next Page IconTo Next Page
To Previous Page IconTo Previous Page
To Previous Page IconTo Previous Page
Loading...

Table of Contents

Related product manuals