EasyManua.ls Logo

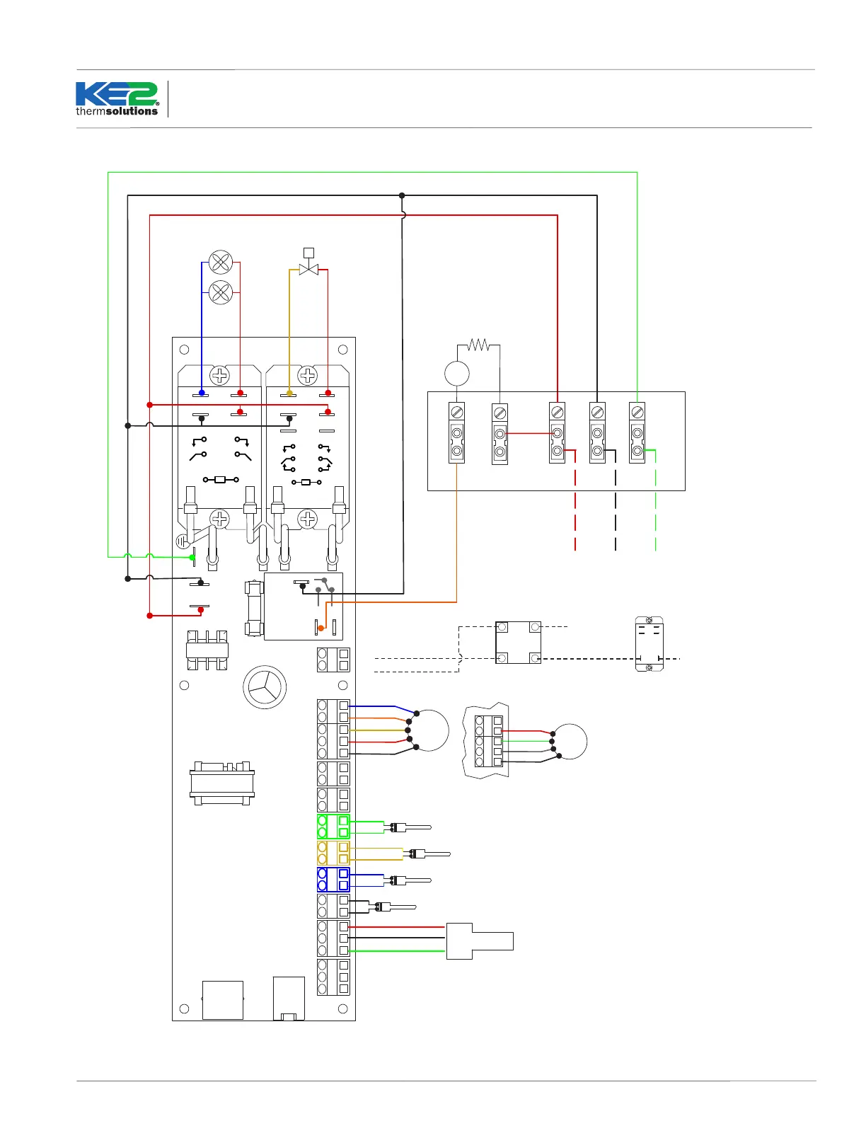
KE2 EvapOEM - General Wiring Diagram without Terminal Board

KE2 EvapOEM
21 pages
Print Icon
To Next Page IconTo Next Page
To Next Page IconTo Next Page
To Previous Page IconTo Previous Page
To Previous Page IconTo Previous Page
Loading...
Q.1.45 October 2022
Page 3
© Copyright 2022 KE2 Therm Solutions, Inc., Washington, Missouri 63090
KE2 EvapOEM
Quick Start Guide
General Wiring Diagram - Controller without KE2 Terminal Board
NO
COM
NO
COM
NO
COM
NC
Fan Relay
L iq. Line Sol./
Comp. Contactor
Relay
Defrost Relay
COM
NO
L1
N/L2
VOUT
MOTOR
Aux3
Aux2
Aux1
TCoil
TAir
TSuc
PSI
RS-485*
HS
Defrost
Heaters
Evap Fans
S
Liquid Line Sol.
NC
N
X
BLK
RED
BLK
FIELD SUPPLY
(SINGLE PHASE)
Ethernet
Display
BLUE
ORANGE
YELLOW
RED
BLACK
MOTOR
RED
GREEN
WHITE
BLACK
EEV
EMPTY
RSV
Transducer
A
B
Shield
G
GRN
ORG
*Only for use with Aux Relay Board or KE2 Humidity Control.
BLACK (0 VDC)
GREEN (SIGNAL)
RED (+5 VDC)
+
Optional Alarm Relay
Mechanical Relay
120V (PN 21469)
240V (PN 21470)
(+)
(−)
Solid State Relay
(PN 21304)
+3/A1
2/T1
1/L1
4/A2
Line/L1
120/208-240 Vac
10A Max
Neutral/L2
20A Max
2 4
6
8
1
0
1
0
2 4
6
8
3
7

Other manuals for KE2 EvapOEM