EasyManua.ls Logo

Keithley 2636 - Using Shielding and Guarding Together

Keithley 2636
562 pages
To Next Page IconTo Next Page
To Next Page IconTo Next Page
To Previous Page IconTo Previous Page
To Previous Page IconTo Previous Page
Loading...
3-18 Return to Section Topics 2600S-901-01 Rev. C / January 2008
Section 3: DUT Test Connections Series 2600 System SourceMeter® Instruments Reference Manual
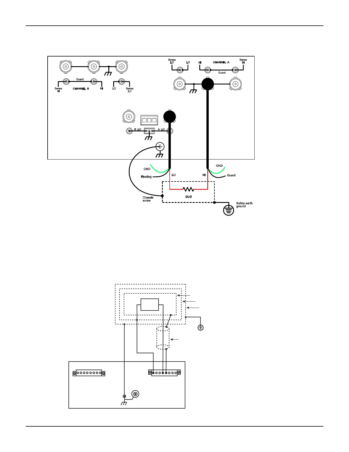
Figure 3-20
Model 2636 connections for test circuit shown in Figure 3-18
Using shielding and guarding together
Figure 3-21 shows connections for a test system that uses a noise shield, a safety shield, and
guarding. The guard shields are connected to the driven guard (G) of the SMU. The noise shield is
connected to SMU LO. The safety shield is connected to the chassis and to a safety earth ground.
Figure 3-21
Model 2601/2602-1 connections for
Safety
Earth
Ground
Metal Guard
Shield
HILO
Metal Guard Shield
Test
Circuit
Metal Noise Shield
Metal Safety Shield
Keithley Model 2602/2612
Channel A
LO G
LO
HI G G G
HI
SS
Channel B
LOG
LO
HIGGG
HI
SS
HILO
G
Chassis
Chassis
Screw
Low-Noise
Chassis Ground
Banana Jack
noise shield, safety shield, and guarding

Table of Contents

Other manuals for Keithley 2636

Related product manuals