EasyManua.ls Logo

Kenwood KRF-X7775D - Page 5

Kenwood KRF-X7775D
68 pages
Print Icon
To Next Page IconTo Next Page
To Next Page IconTo Next Page
To Previous Page IconTo Previous Page
To Previous Page IconTo Previous Page
Loading...
KRF-X7775D/X7775D-S/VR-5080/5090
5
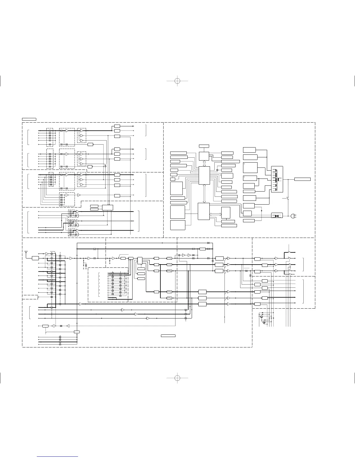
BLOCK DIAGRAM
REC OUT SW
TAPE2
REC BUFFER
OUTPUT MUTE
ON
DIG REC
200mV
36mV
200mV
200mV
INPUT SEL.
ZONE A
BUFFER
DIG REC OUT
(0dB or +6dB)
OPTICAL OUT
COAXIAL OUT
COAXIAL
OPTICAL
DIGITAL INPUT SEL.
OPTICAL
COAXIAL
COAXIAL
OPTICAL
OPTICAL
COAXIAL
COAXIAL
OPTICAL
OPTICAL
COAXIAL
COAXIAL
OPTICAL
VIDEO2
VIDEO3
DVD(6ch IN)
VIDEO4
CD-R
MD/TAPE1
CD
AV AUX IN
200mV
INPUT SEL.
ZONE B
CD2
TAPE2 MON1
2.5mV
(38dB)
BUFFER
LINE (0.-3.-6dB)
OFF -3dB
ON -6dB
BUFFER
INPUT ATT
BUFFER
(-6dB)
200mV
MAX:1.0Vrms
FL.FR
SUB
CENTER
SL.SR
SBL.SBR
(0dB)
50kHz LPF
1kHz LPF
(0dB)
(0dB)
(0dB)
(0dB)
50kHz LPF
50kHz LPF
50kHz LPF
SW ON
DIG
SW OFF
DIG
ANA
CONFIG-2
FILTER
ON
ANA TONE OFF
TONE
(0dB)
TONE
OFF
ATT OFF
ZONE B
LINE BUFFER
BUFFER
BUFFER
BUFFER
(+15dB)
SUB
6ch IN
CENTER
6ch IN
6ch IN
SL SR
6ch INPUT SEL.
SP B
CENTER
SL.SR
SBL,SBR
SUB
(4.7dB or 14.7dB)
(14.5dB)
(5.2dB or 15.2dB)
(5.2dB or 15.2dB)
(5.2dB or 15.2dB)
(5.2dB or 15.2dB)
A-10dB GAIN CONT.
ZONE B
ZONE B
B SOURCE
AMPLIFIER
(29dB)
AMPLIFIER
AMPLIFIER
(29dB)
(29dB)
F/C/SW-MUTE
SP B/S-MUTE
PRE S-MUTE
PRE ZB-MUTE
SUB-MUTE
RELAY CS
RELAY A
RELAY B
OUTPUT MUTE
K5
K1
K3
K4
K2
Y
PB/CB
PR/CR
PB/CB
PR/CR
Y
6dB AMP
6dB AMP
75ohm DRIV.
B SOURCE
PAL
NTSC
75ohm DRIV
6dB
75ohm DRIV
6dB AMP
75ohm DRIV
NONE
CRAMP
NONE
CRAMP
L601(K/P/J)
L603(OTHERS)
OUTPUT MUTE
L601(K/P/J)
L602(OTHERS)
AC IN
RELAY POWER
FAST OFF
ATT ON
VIDEO2 REC
VIDEO1 REC
CD-R REC
MD/TAPE1 REC
MUTE
Q11,12
MUTE
Q1,2
IC4
CD2/TAPE2 REC
CENTER
SUB
SL.SR
L.R
DVD
6ch IN
IC32
VIDEO4 IN
CD1 IN
CD2/TAPE2 MONI
CD-R IN
MD/TAPE1 IN
IC22
VIDEO3 IN
VIDEO1 IN
VIDEO2 IN
FM AM
TUNER
IC1
EQ
PHONO IN
IC28
IC8.9
ADC
IC7
DIR
IC6
DSP
EP ROM
SDRAM
SDRAM
DAC
IC31
X08 IC32
X08 IC33
X08 IC34
DAC
DAC
DAC
IC11
X08
IC17
IC14
X08
X08
IC20
IC12,13
IC18,19
IC21,22
IC15,16
IC18,19
TONE
IC34
IC23
IC5
IC26
IC27 (2/2)
IC27 (1/2)
IC24
FL.FR
VOLUME
VOLUME
CENTER
SBL.SBR
VOLUME
VOLUME
SL.SR
SUB W
VOLUME
VOLUME
ZONE B
IC8
IC10
IC12
IC35
IC10
IC6
IC9
IC11
IC36
IC13
IC7
IC11
Q1,2
Q101
Q51,52
Q301-320
MUTE
PHONES
L.R
SL.SR
C
SL.SR
C
L.R
ZONE B-SPEAKERS
ZONE B
SW
SBL.SBR
B-SPEAKERS
A-SPEAKERS
PRE OUT
1V
IC23
IC24
VIDEO3
DVD
COMPONENT
Y
Cb
Cr
MONITOR OUT
X13,IC701-703 or X35,IC1-3
AV AUX
VIDEO4
VIDEO2
VIDEO3
VIDEO1
IC22
IC21
DVD/6ch
DECODER
4.43MHz
3.58MHz
IC5
X35
MUTE
MUTE
MUTE
MUTE
MUTE
MUTE
MUTE
MUTE
MUTE
MONITOR
ZONE B
MUTE
MUTE
MUTE
MONITOR
ZONE A
VIDEO2 REC
VIDEO1 REC
OUT
COMPOSITE
SEPARATE C
DVD/6ch
VIDEO1
VIDEO3
VIDEO2
VIDEO4
AV AUX
IC602
VIDEO1 REC
VIDEO2 REC
MONITOR
MUTE
MUTE
MUTE
C OUT
AV AUX
DVD/6ch
VIDEO4
VIDEO2
VIDEO3
VIDEO1
SEPARATE Y
IC601
Y OUTVIDEO2 REC
VIDEO1 REC
MUTE
MUTE
IC604
IC606
BPF
IC603
IC605
MUTE
TRAP
MONITOR
SYSTEM CONTROL
SL16 TEXT
TV POWER SENSOR
RELAY COMTROL
RS232C
RDS
TUNER
TONE ON/OFF
DIG.ANA.SEL.
INPUT ATT
REC OUT SW
ANALOG SW
ZONE A SEL.
ZONE B SEL.
SUB-MUTE
MUTE CONTROL
PRE S.SB
PRE ZONE B
SP SL.SR/B
FL.FR.C.SW
OUTPUT
TONE CONTROL
VOLUME CONTROL
RELAY A
RELAY POWER
RELAY B
RELAY CS
SP RELAY CONT.
FL
FL DRIVER
MAIN u-COM
SUB u-CON
LED DISPLAY
KEY MATRIX
RF/IR RECEIVER
DOOR MOTOR CONT.
FAN DRIVE
IR IN/OUT B
u-COM
IR IN/OUT A
I/V PROTECT DET.
THERMAL SENSOR
OUT POWER DET.
IR TRANSMIT
EP-ROM
DAC
DSP UNIT
DIR
DSP
ADC
VIDEO SELECTOR
DIG.INPUT SEL.
X25,ED1
X25,1IC
X13,IC3
X08,IC43
for VIDEO UNIT
+6V 1st AVR
+6V 1st AVR
for DSP UNIT
TONE CONTROL
VOLUME
ANALOG SW
for POWER AMP
60V SUPPLY
-35V AVR
for FL V-LOAD
FL FILAMENT
-15V 1st AVR
for u-COM
+30V for
RELAYS & FAN
BACK UP
5.6V AVR
IR RECEIVER
THERMAL SENSOR
u-CON CONTROL
X13,Q41
X13,Q45
X13,Q33,34
X07,D100
X07,Q407
X13,D71
X13,Q51
X13,IC1
POWER SUPPLY
OP AMP
17V AVR
SUB TRANS
MAIN TRANS
AUDIO SECTION
VIDEO SECTION
(X08-) , (X25- )
(X25- )
(X08- )
(X07- )
(X25- )
(X11- )
(X13- ) / (X35- )
(X11- )
(X13- )
VR-5080/5090/5700/5900
KRF-X7775D/X7775D-S/X9995D/X9995D-S

Related product manuals