EasyManua.ls Logo

Keston C45 - Page 17

Default Icon
54 pages
Print Icon
To Next Page IconTo Next Page
To Next Page IconTo Next Page
To Previous Page IconTo Previous Page
To Previous Page IconTo Previous Page
Loading...
All components of the system including the heat exchanger of the indirect cylinder
must be suitable for a working pressure of 3 bar and a temperature of 110
o
C.
Care should be taken in making all connections that the risk of leakage is
minimised.
0.1560.1090.0833
Multiplying factor for other system
volumes
46.832.725.0
300 litres
42.930.022.9
275 litres
39.027.220.8
250 litres
35.124.518.7
225 litres
31.221.816.7
200 litres
27.319.114.6
175 litres
23.416.312.5
150 litres
19.513.610.4
125 litres
15.610.98.3
100 litres
11.78.26.3
75 litres
7.85.44.2
50 litres
3.92.72.1
25 litres
VolumeVessel ExpansionTotal Water Content of system
1.5 bar1.0 bar0.5 bar
Vessel charge & initial system
pressure.
3.0 bar
Safety Valve Setting
Table 2.7.2 Expansion Vessel Selection
WD536 Chapter 2 - Boiler Location The Keston C45, C40P, C55 & C55P
Installation & Servicing Instructions Page : 12
C45
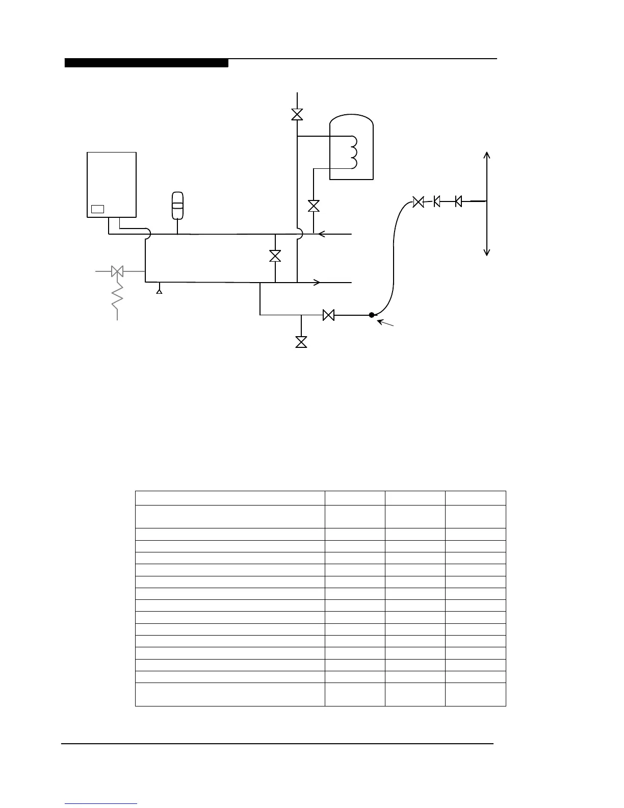
Figure 2.7.2 : Sealed System Diagram
Expansion
Vessel
Double Check
Valve
Air Vent
Hose
Union
bib tap
Hosepipe
( disconnected
after filling )
Hose
Connector
BS 1010:2
Stop Tap
Test Cock
Drain
Cock
HEATING CIRCUIT
RETURN
FLOW
Safety
Valve
By-pass
Bal.
Valve
L/S
or
C55

Related product manuals