EasyManua.ls Logo

Keston C45 - Page 36

Default Icon
54 pages
Print Icon
To Next Page IconTo Next Page
To Next Page IconTo Next Page
To Previous Page IconTo Previous Page
To Previous Page IconTo Previous Page
Loading...
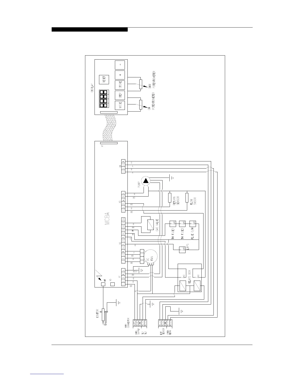
5.4 FUNCTIONAL FLOW WIRING DIAGRAM
WD536 Chapter 5 : Fault Finding The Keston C45, C40P, C55 & C55P
Installation & Servicing Instructions Page : 31

Related product manuals