EasyManua.ls Logo

Keysight Technologies FieldFox N9917A - Page 67

Keysight Technologies FieldFox N9917A
179 pages
Print Icon
To Next Page IconTo Next Page
To Next Page IconTo Next Page
To Previous Page IconTo Previous Page
To Previous Page IconTo Previous Page
Loading...
Keysight FieldFox Handheld Analyzers Service Guide 67
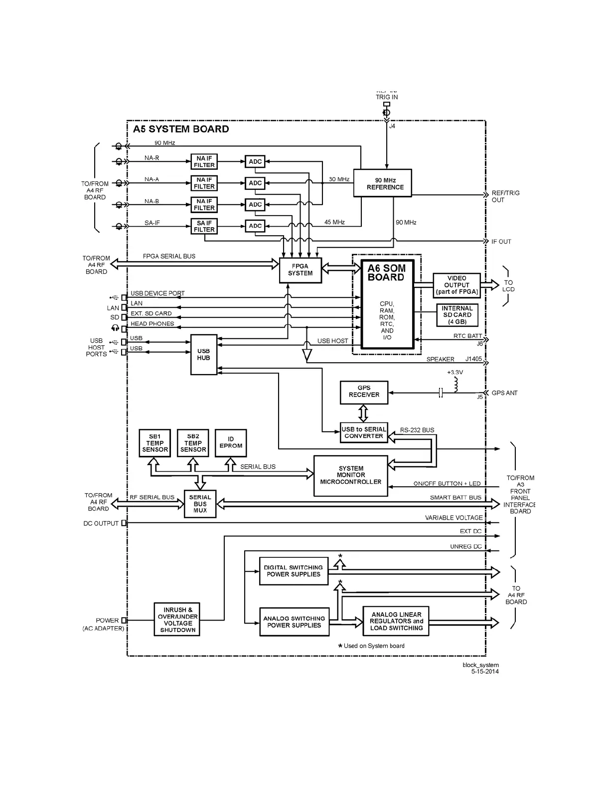
Theory of Operation
Measurement Group
Figure 5-4 Simplified System Board Block Diagram

Table of Contents

Other manuals for Keysight Technologies FieldFox N9917A

Related product manuals