EasyManua.ls Logo

KitchenAid 30" - Complete Installation; Interior-Mounted Motor; 31;4 x 10 (8.3 x 25.4 cm) Back Draft Damper; 6 (15.2 cm) Round Vent Transition with Damper

KitchenAid 30"
32 pages
Print Icon
To Next Page IconTo Next Page
To Next Page IconTo Next Page
To Previous Page IconTo Previous Page
To Previous Page IconTo Previous Page
Loading...
13
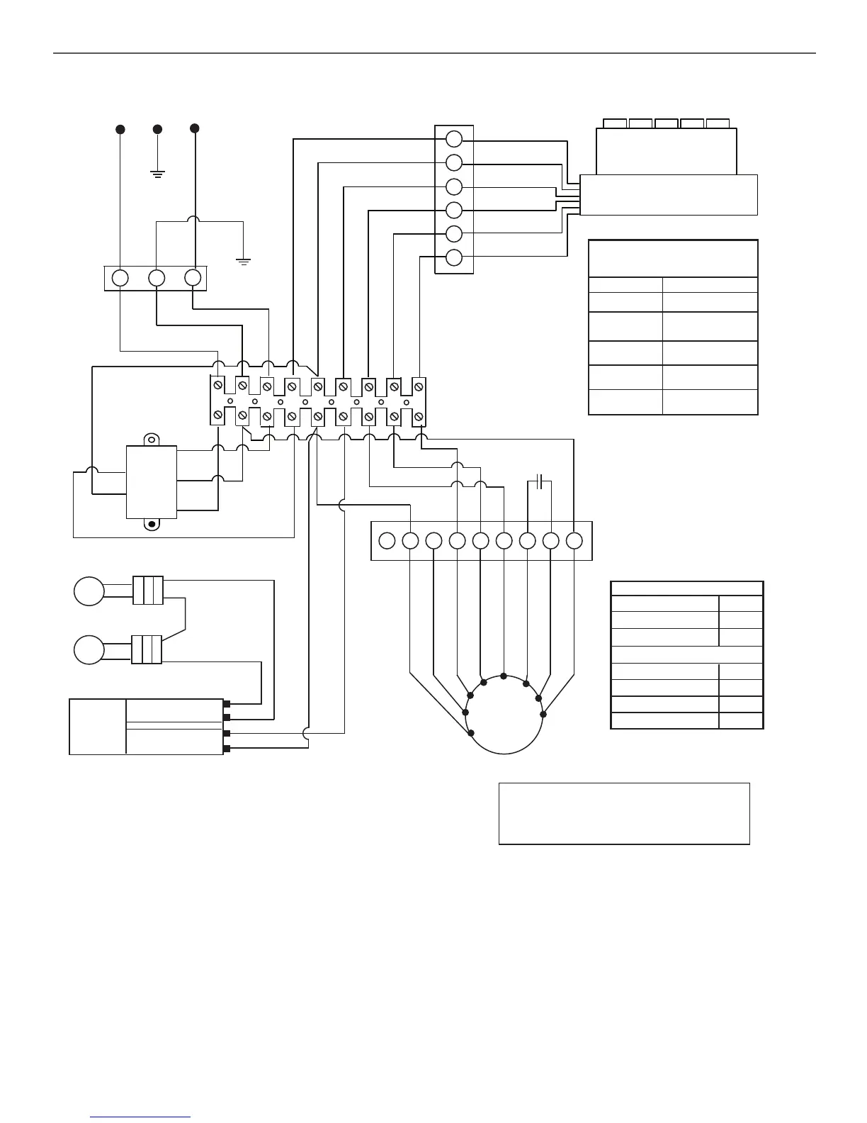
WIRING DIAGRAM
+
-
3
2
1
4
5
6
7
8
9
4
5
6
3
2
1
3
2
1
N
GND
L1
BR
BU
WH
YL/GN
BK
WH
YL/GN
BK
YL
WH
RD
BK
BR
BU
YL
WH
RD
BK
BK
YL
WH
RD
BK
BK
WH
YL/GN
BK
WH
BK
BK
WH
LED
LED
BK
WH
RD
BU
RD
BK
YL
M
SE134A
BU
BU
GY
BK
BK
RD
RD
WH
WH
YL
YL
BR
BR
YL/GN
YL/GN
120 VAC
60 HZ
240 W
28.8
30.3
37.7
45.1
BU
BR (Line)
BU (Neutral)
YL (Lamp)
WH (Speed 1)
RD (Speed 2)
BK (Speed 3)
Mechanical Push Buttons
With Backlight
Push Button Switch
Operation
Function Position
Off
Lamps
Low Speed
Med Speed
High Speed
No Connection
Brown - Yellow
(1 - 3)
Brown - White
(1 - 4)
Brown - Red
(1 - 5)
Brown - Black
(1 - 6)
EMI
Filter
Driver
Output: 700mA (2 - 15VDC)
Input: 120VAC
Motor Specifications
Power Supply
Frequency
Power Absorption
Motor Resistance (Ω)
Blue - Black
Blue - Gray
Blue - Red
Blue - White

Other manuals for KitchenAid 30"

Related product manuals