EasyManua.ls Logo

KitchenAid 30" - ASSISTANCE OR SERVICE; If you need replacement parts; In the U.S.A.; For further assistance

KitchenAid 30"
32 pages
Print Icon
To Next Page IconTo Next Page
To Next Page IconTo Next Page
To Previous Page IconTo Previous Page
To Previous Page IconTo Previous Page
Loading...
27
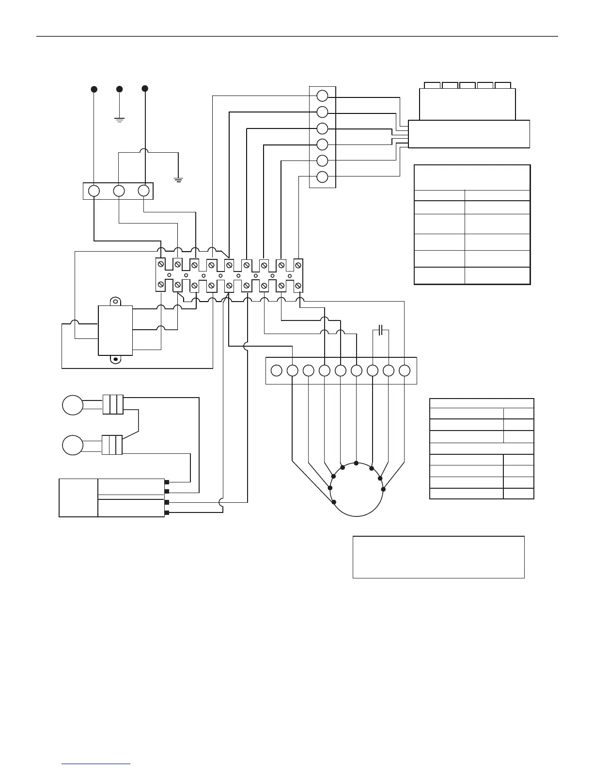
SCHÉMA DE CÂBLAGE
+
-
3
2
1
4
5
6
7
8
9
4
5
6
3
2
1
3
2
1
Neu
Terre
Ph1
MAR
MAR (Phase)
Boutons-poussoirs mécaniques
rétroéclairés
BU (Neutre)
BU
BL
JA/VE
N
BL
JA/VE
N
JA
JA (Lampe)
BL
BL (Vitesse 1)
R
R (Vitesse 2 )
N
N (Vitesse 3)
Fonctionnement du commutateur
du bouton-poussoir
Fonction
Position
Arrêt
Pas de connexion
Lampes
Marron-Jaune
(1 - 3)
Vitesse basse
Marron-Blanc
(1 - 4)
Vitesse
moyenne
Marron-Rouge
(1 - 5)
Vitesse élevée
Marron-Noir
(1 - 6)
MAR
BU
JA
BL
R
N
N
JA
BL
R
N
N
BL
JA/VE
N
BL
Filtre
(interférences
électro-
magnétiques
)
N
N
BL
Del
Del
N
BL
R
BU
R
N
JA
Pilote
M
SE134A
BU
BU
GRIS
N
N
R
R
BL
BL
JA
JA
MAR
MAR
JA/VE
JA/VE
Caractéristiques du moteur
Résistance du moteur (Ω)
Alimentation électrique
120 VAC
Fréquence
60 HZ
Absorption de courant
240 W
Bleu - Noir
28,8
Bleu - Gris
30,3
Bleu - Rouge
Bleu - Blanc
37,7
45,1
BU
Sortie : 700mA (2 - 15VDC)
Entrée
: 120VAC

Other manuals for KitchenAid 30"

Related product manuals